GM Service Manual Online
For 1990-2009 cars only
Makes
🢒
Pontiac
🢒
2000
🢒
Firebird
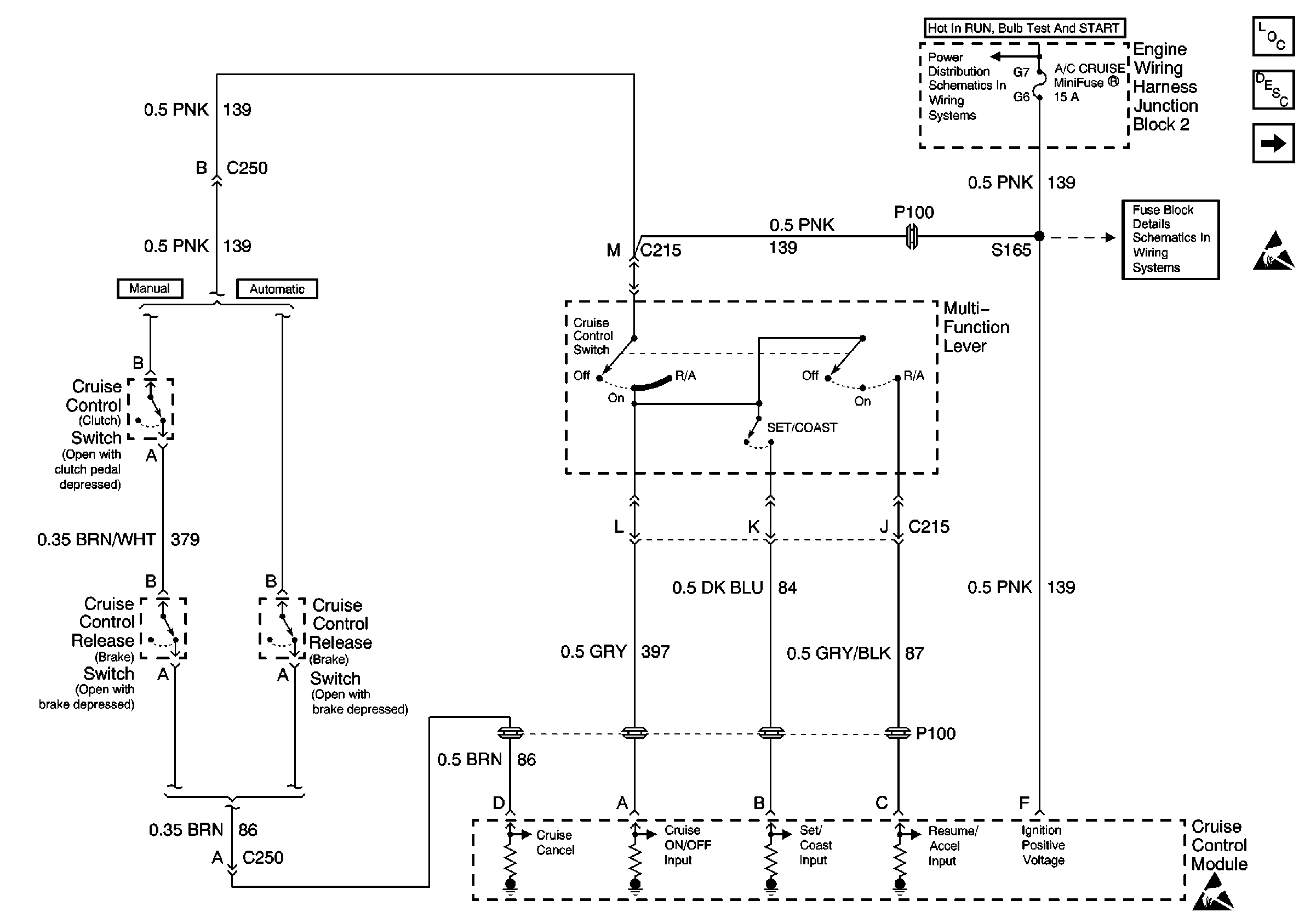
🢒 Cruise Control Module and Cruise Release Switches
Cruise Control Module and Cruise Release Switches
Cruise Control Module and Cruise Release Switches
Cruise Control Components
Cruise Control System Circuit Description WO/ETC
V6 VIN K
Handling ESD Sensitive Parts Notice
A/C CRUISE and ETC Fuses
A/C CRUISE and ETC Fuses