GM Service Manual Online
For 1990-2009 cars only
Makes
🢒
Pontiac
🢒
2000
🢒
Firebird
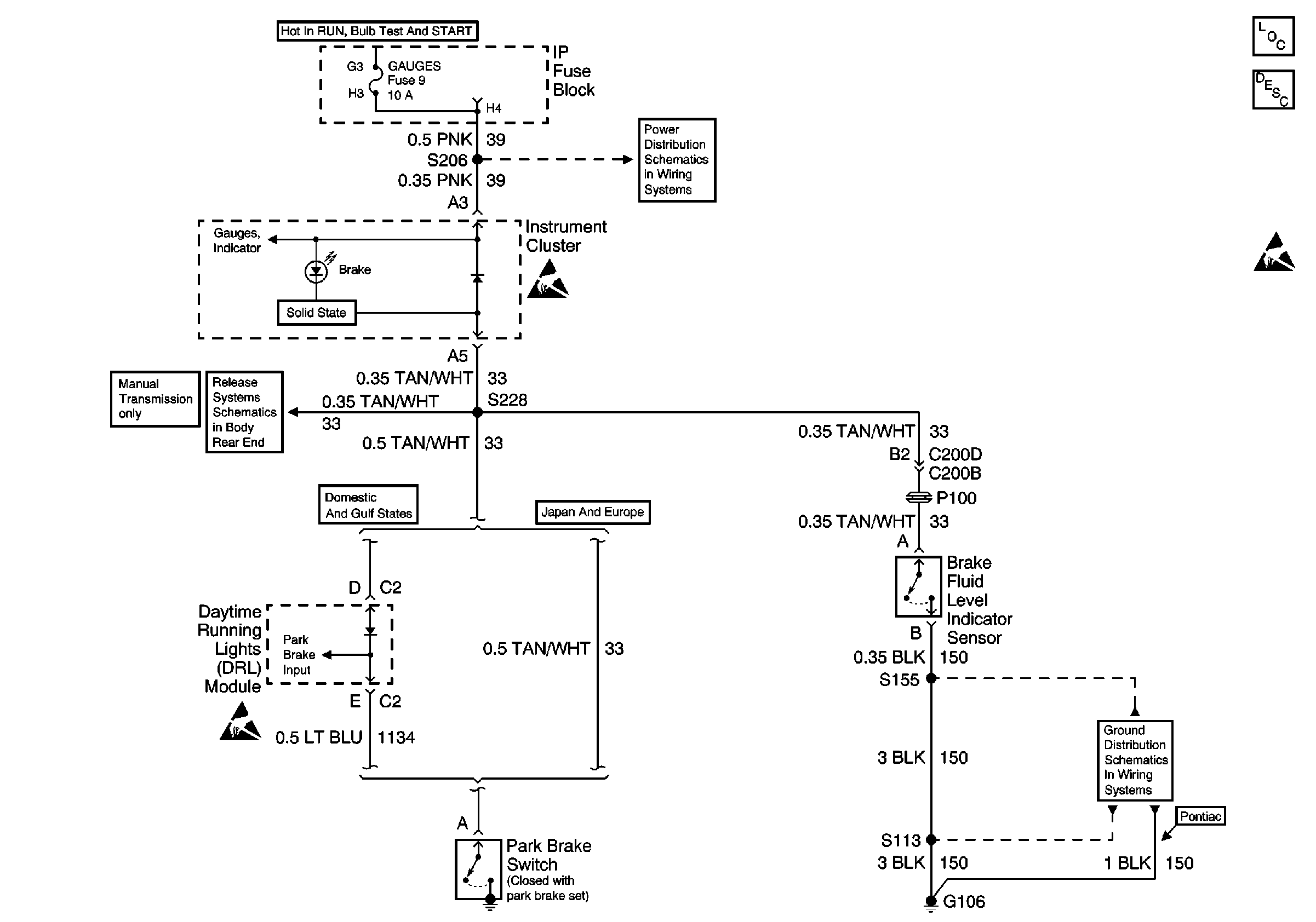
🢒 Brake Fluid Level Sensor, Instrument Cluster and Park Brake Switch
Brake Fluid Level Sensor, Instrument Cluster and Park Brake Switch
Brake Fluid Level Sensor, Instrument Cluster and Park Brake Switch
Hydraulic Brakes Components
Brake Warning System Circuit Description
Handling ESD Sensitive Parts Notice
AIR BAG and GAUGES Fuses
Park Brake Switch and Park/Neutral Position Switch
G106