GM Service Manual Online
For 1990-2009 cars only
Makes
🢒
Pontiac
🢒
2000
🢒
Firebird
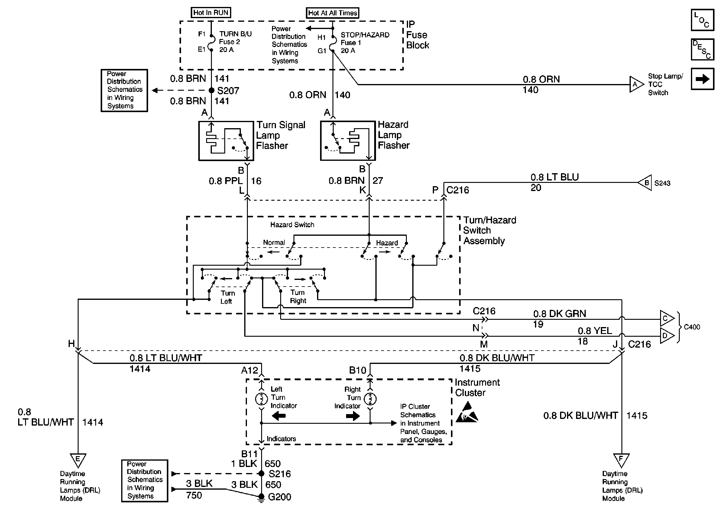
🢒 Turn/Hazard Switch, Turn Indicators
Turn/Hazard Switch, Turn Indicators
Turn/Hazard Switch, Turn Indicators
Lighting Systems Components
Exterior Lights Circuit Description Pont, Chevy Domestic, Gulf States
Center High Mounted Stop Lamp
Center High Mounted Stop Lamp
Center High Mounted Stop Lamp
Taillamps, Inboard Tail/Stop/Turn Lamps, Outboard Tail/Stop/Turn Lamps, Side Marker Lamps, License Lamp
Taillamps, Inboard Tail/Stop/Turn Lamps, Outboard Tail/Stop/Turn Lamps, Side Marker Lamps, License Lamp
DRL Module, Side Marker Lamps, Park/Turn Lamps, Fog Lamp Relay
Instrument Cluster Illumination and Indicators
Handling ESD Sensitive Parts Notice
TAIL LPS and STOP/HAZARD Fuses
HVAC and TURN B/U Fuses
DRL Module, Side Marker Lamps, Park/Turn Lamps, Fog Lamp Relay
G200 Splice S216