GM Service Manual Online
For 1990-2009 cars only
Makes
🢒
Pontiac
🢒
2000
🢒
Firebird
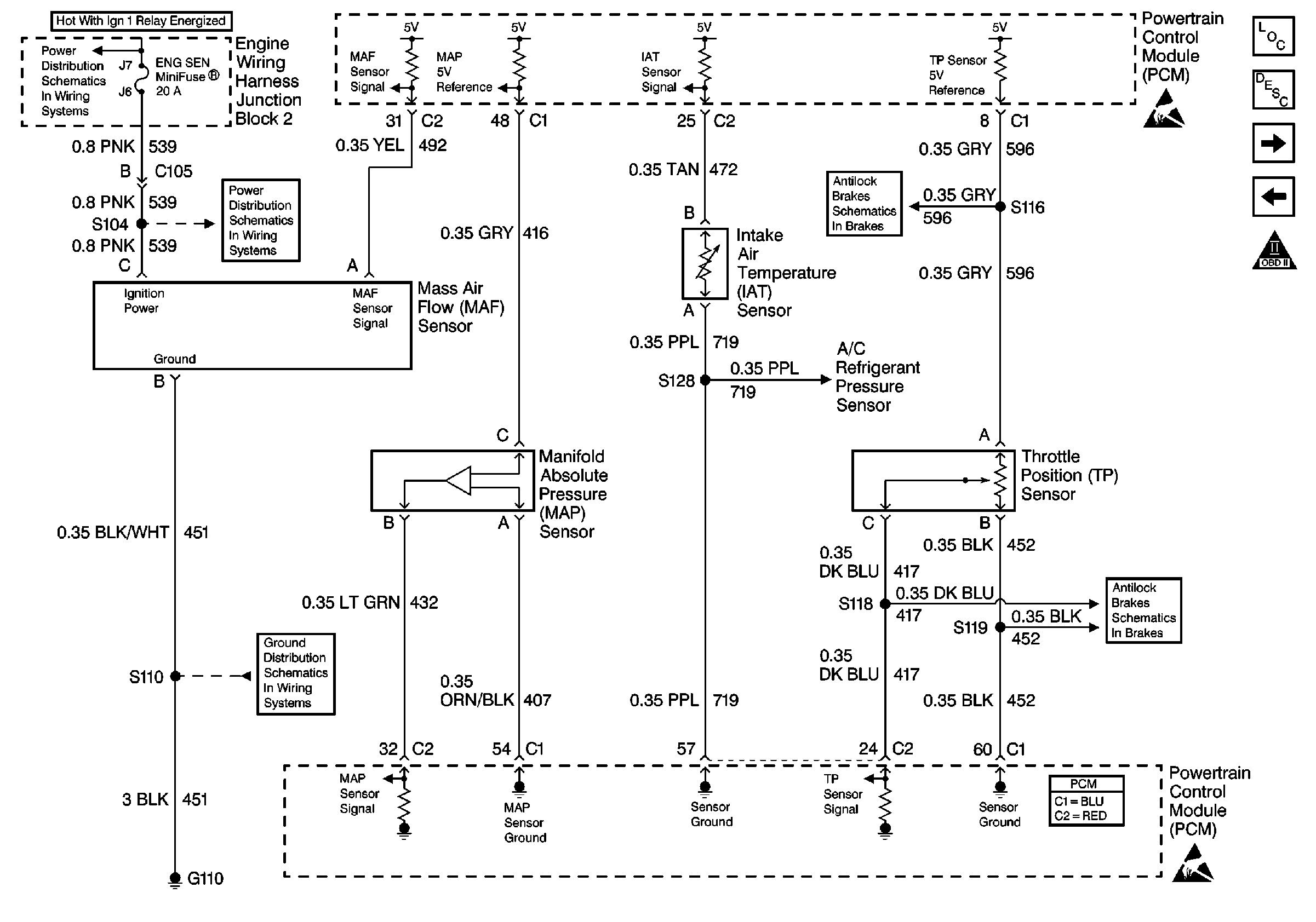
🢒 Engine Sensors
Engine Sensors
Engine Sensors
Engine Controls Components
Information Sensors/Switches Description
Oxygen Sensors
Fuel Injectors
OBD II Symbol Description Notice
Handling ESD Sensitive Parts Notice
Handling ESD Sensitive Parts Notice
Powertrain Control Module Connector End Views
ENG SEN Fuse
ENG SEN Fuse
Antilock Brake System Schematics
A/C Compressor Control
Antilock Brake System Schematics
G110 V8 VIN G