GM Service Manual Online
For 1990-2009 cars only
Makes
🢒
Pontiac
🢒
2000
🢒
Firebird
🢒 EGR and EVAP
EGR and EVAP
EGR and EVAP
Engine Controls Components
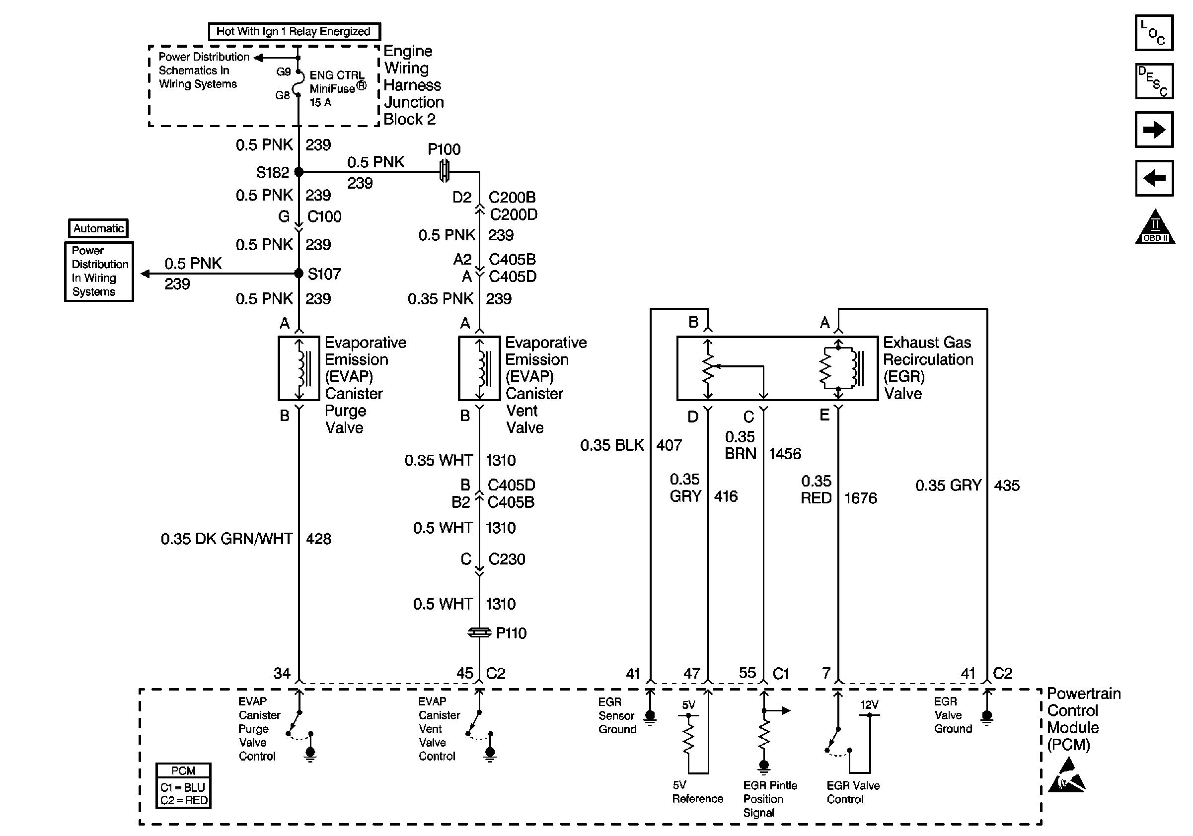
Evaporative Emission Control System Operation Description
Cruise Control Module, ECT Sensor, Engine Oil Level Switch and Generator
BCM, Cruise Control Module, EBCM, IPC, Radio, and VSS
OBD II Symbol Description Notice
Handling ESD Sensitive Parts Notice
Powertrain Control Module Connector End Views
ENG CTRL Fuse
ENG CTRL Fuse