GM Service Manual Online
For 1990-2009 cars only
Makes
🢒
Pontiac
🢒
2001
🢒
Firebird
🢒
Body and Accessories
🢒
Lighting Systems
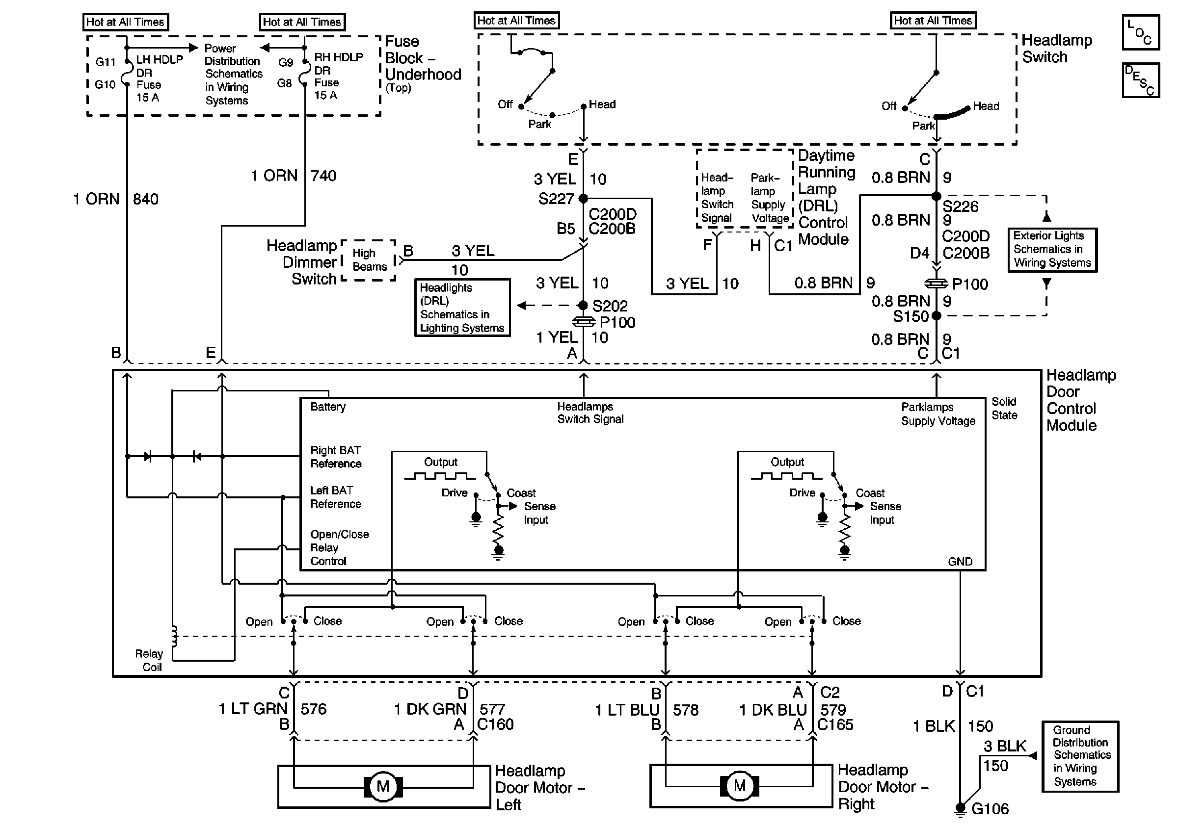
🢒 Headlight Doors Schematics
Headlamp Opening Door Actuator Control Module
Master Electrical Component List
Exterior Lighting Systems Description and Operation
DRL Module, Side Marker Lamps, Park/Turn Lamps, Fog Lamp Relay
G106
DRL Module, Headlamp Opening Door Assembly
ABS BAT SOL, ABS BAT-2, HORN, H/L DOOR-HORN, LH HDLP DR, RH HDLP DR, and TCS BAT Fuses