GM Service Manual Online
For 1990-2009 cars only
Makes
🢒
Pontiac
🢒
2001
🢒
Firebird
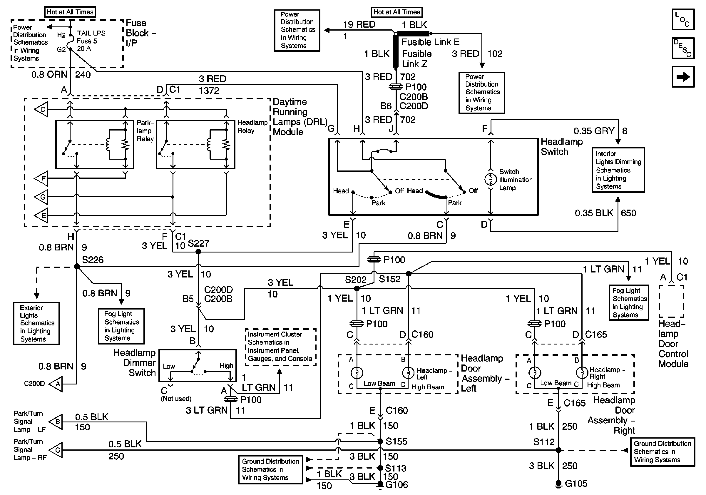
🢒 DRL Module, Headlamp Opening Door Assembly
DRL Module, Headlamp Opening Door Assembly
DRL Module, Headlamp Opening Door Assembly
Master Electrical Component List
Exterior Lighting Systems Description and Operation
DRL Module, Park/Turn Lamps
Headlamp Switch and IP Dimmer Switch
Fog Lamp Switch, Fog Lamps
G105
Fusible Links, CIG/ACCY, ENG CTRL, IGN, I/P-1, I/P-2, and PWR ACCY Fuses
Fusible Links, CIG/ACCY, ENG CTRL, IGN, I/P-1, I/P-2, and PWR ACCY Fuses
Instrument Cluster Illumination and Indicators
G106
Turn/Hazard Switch, Turn Indicators
Turn/Hazard Switch, Turn Indicators
DRL Module, Park/Turn Lamps
DRL Module, Side Marker Lamps, Park/Turn Lamps, Fog Lamp Relay
Fog Lamp Switch, Fog Lamps
DRL Module, Park/Turn Lamps
DRL Module, Park/Turn Lamps
DRL Module, Park/Turn Lamps
DRL Module, Park/Turn Lamps
TAIL LPS and STOP/HAZARD Fuses