GM Service Manual Online
For 1990-2009 cars only

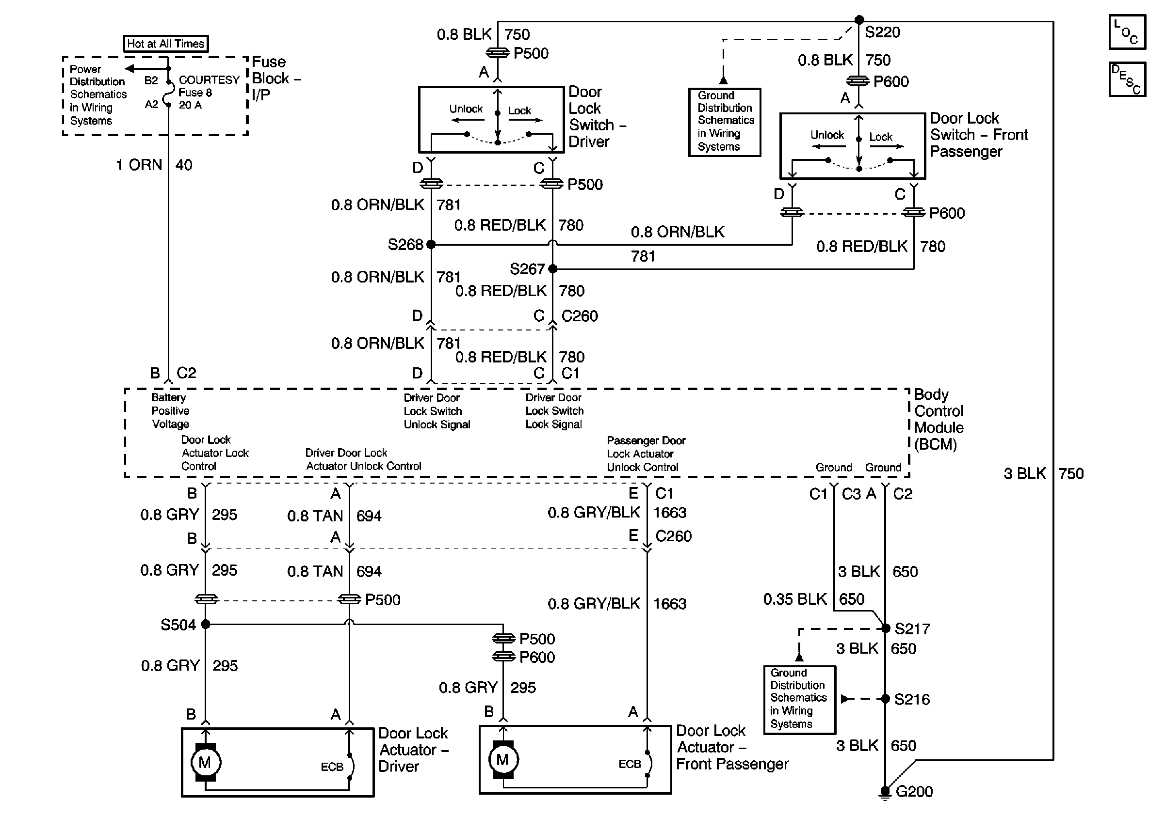
Body Control Module and Door Lock Switches


Object Number: 727389  Size: FS
Master Electrical Component List
Power Door Locks Description and Operation
COURTESY and RADIO ACCY Fuses
G200 Splice S220
G200 Splice S216