GM Service Manual Online
For 1990-2009 cars only
Makes
🢒
Pontiac
🢒
2001
🢒
Firebird
🢒
Body and Accessories
🢒
Doors
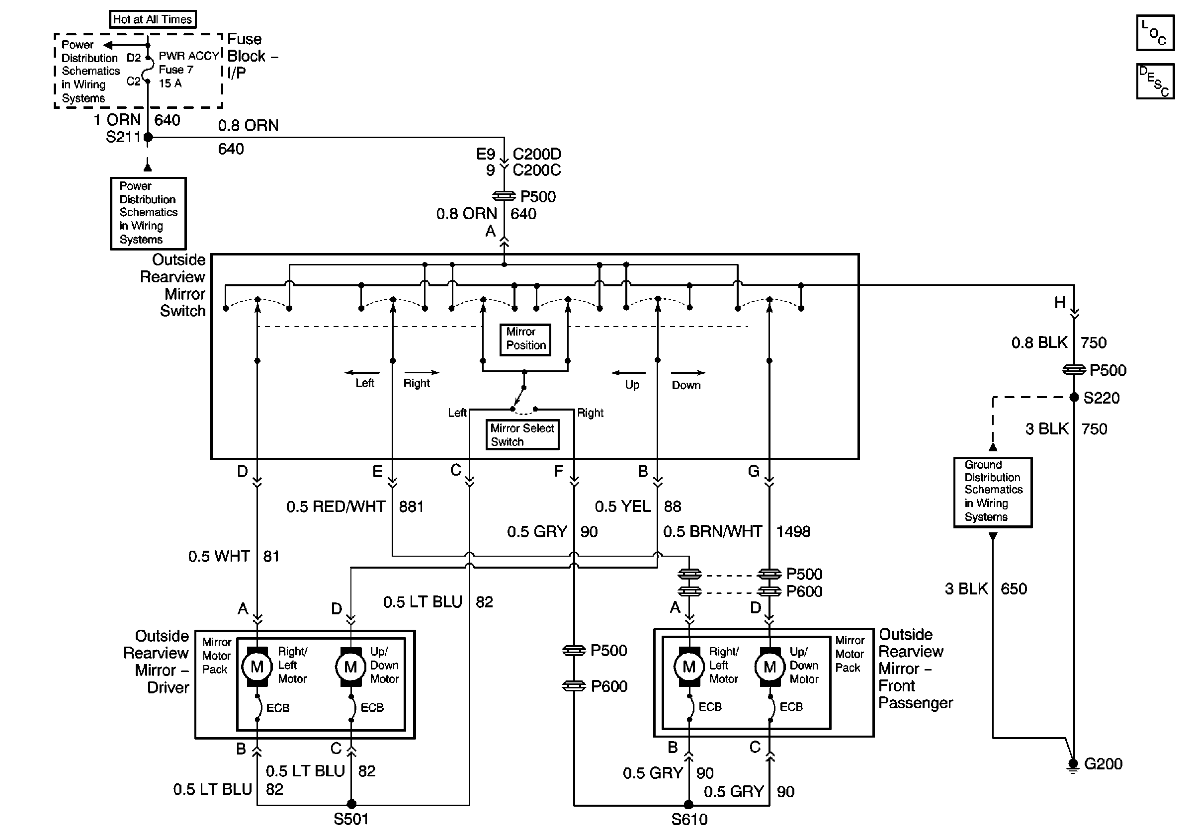
🢒 Outside Rearview Mirror Schematics
Outside Rearview Mirror Schematics Chevrolet
Outside Rearview Mirror Switch and Mirrors
Master Electrical Component List
Outside Mirror Description and Operation
Fusible Links, CIG/ACCY, ENG CTRL, IGN, I/P-1, I/P-2, and PWR ACCY Fuses
TAIL LPS and STOP/HAZARD Fuses
G200 Splice S220
Outside Rearview Mirror Schematics Pontiac
Outside Rearview Mirror Switch and Mirrors
Master Electrical Component List
Outside Mirror Description and Operation
Fusible Links, CIG/ACCY, ENG CTRL, IGN, I/P-1, I/P-2, and PWR ACCY Fuses
TAIL LPS and STOP/HAZARD Fuses
G200 Splice S220