GM Service Manual Online
For 1990-2009 cars only
Makes
🢒
Pontiac
🢒
2001
🢒
Firebird
🢒
Body and Accessories
🢒
Retained Accessory Power
🢒 Retained Accessory Power (RAP) Schematics
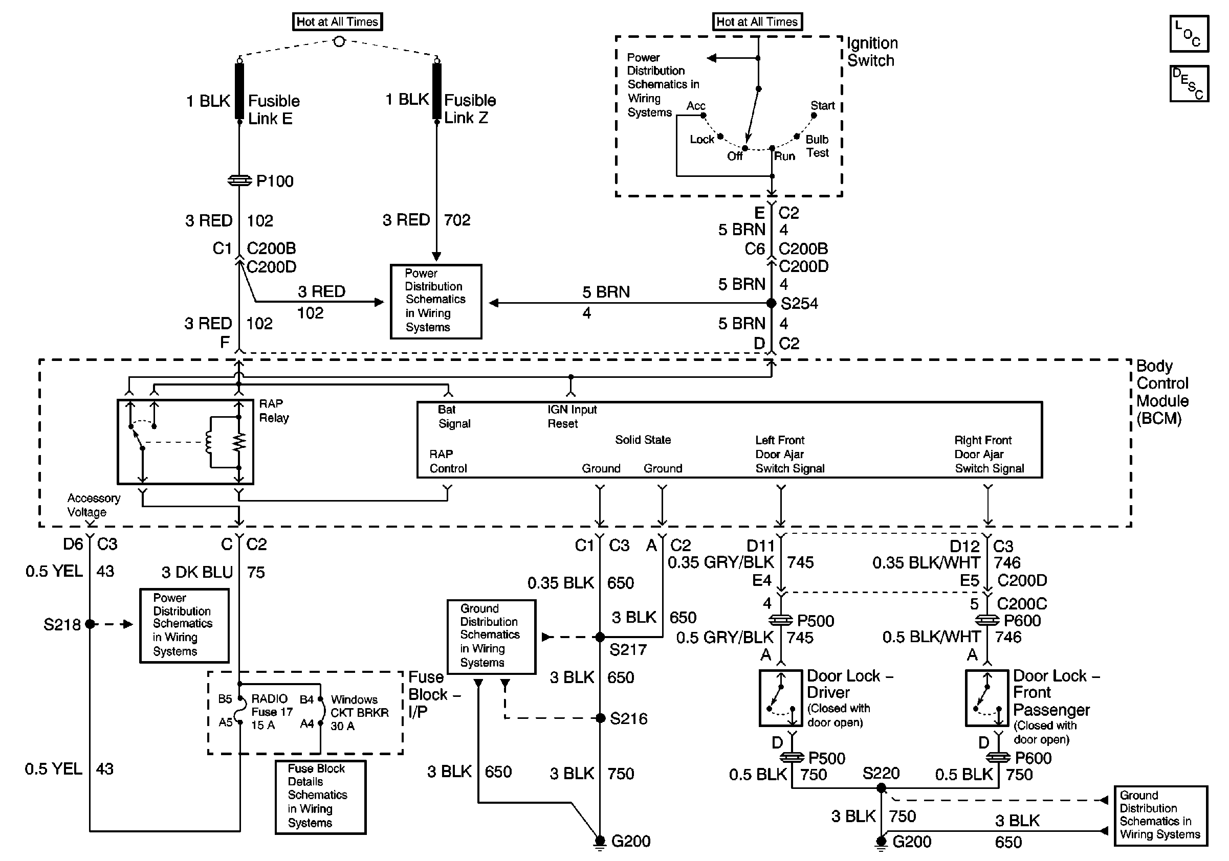
Body Control Module and Front Side Door Lock Switches
Master Electrical Component List
Retained Accessory Power (RAP) Description and Operation
Ignition Switch
Power Distribution Schematics
WINDOWS Circuit Breaker, RADIO, STG WHL CNTRL, and WIPER/WASH Fuses
WINDOWS Circuit Breaker, RADIO, STG WHL CNTRL, and WIPER/WASH Fuses
G200 Splice S220
G200 Splice S220