GM Service Manual Online
For 1990-2009 cars only
Makes
🢒
Pontiac
🢒
2001
🢒
Firebird
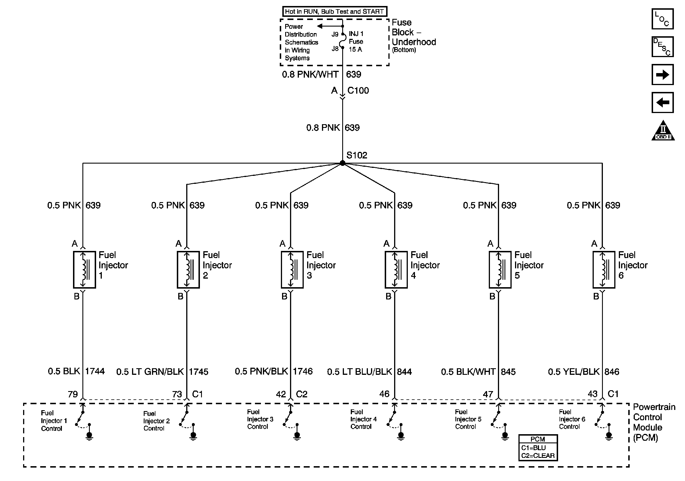
🢒 Fuel Injectors
Fuel Injectors
Fuel Injectors
Master Electrical Component List
Fuel System Description
MAP, ECT, IAT Sensors
Fuel Pump Controls
OBD II Symbol Description Notice
Powertrain Control Module Connector End Views
INJ 1 Fuse