GM Service Manual Online
For 1990-2009 cars only
Makes
🢒
Pontiac
🢒
2001
🢒
Firebird
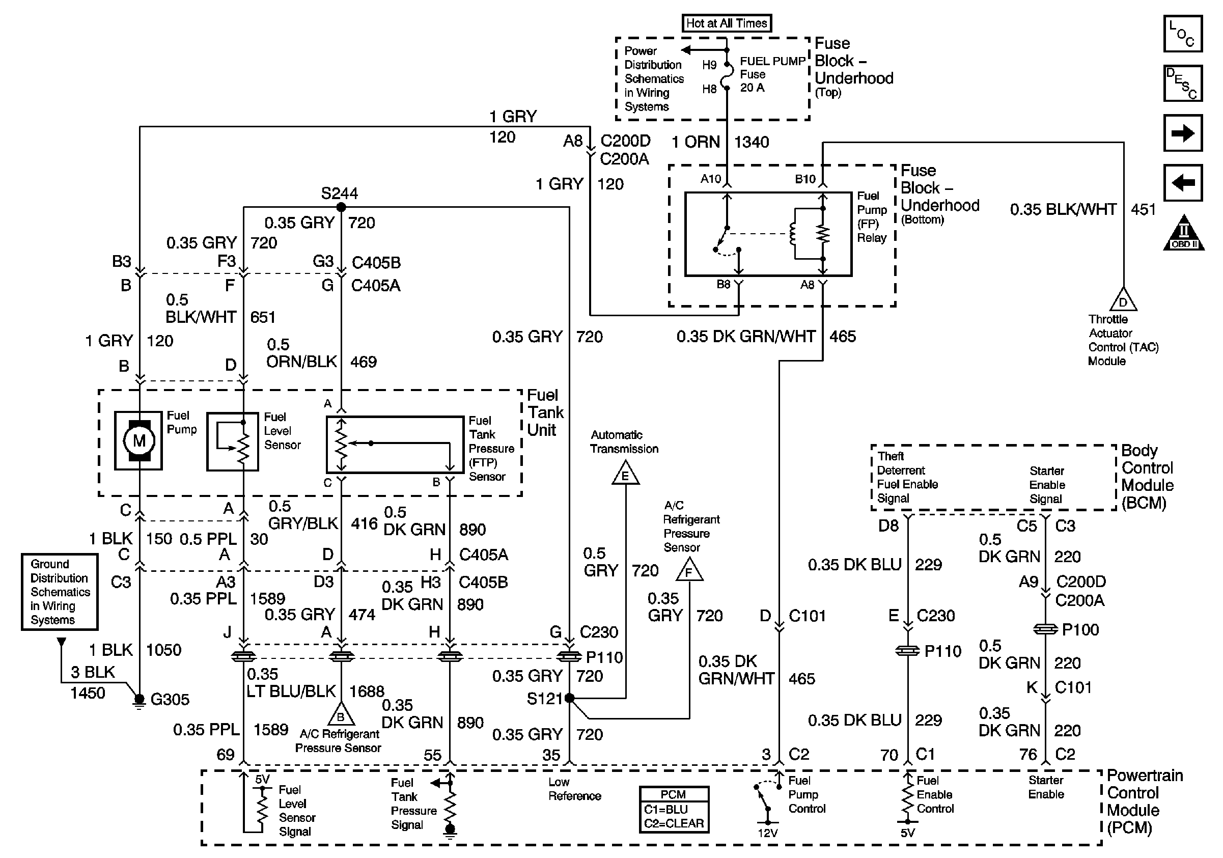
🢒 Fuel Pump Controls
Fuel Pump Controls
Fuel Pump Controls
Master Electrical Component List
Fuel System Description
Fuel Injectors
Ignition Controls, Knock Sensors
OBD II Symbol Description Notice
TAC Module, TAC
A/C HVAC Control
Powertrain Control Module Connector End Views
Automatic Transmission, Park Neutral Position Switch
AIR PUMP, FUEL PUMP and PCM BAT Fuses
A/C HVAC Control
G305, G310, G320