GM Service Manual Online
For 1990-2009 cars only
Makes
🢒
Pontiac
🢒
2001
🢒
Firebird
🢒 Cooling Fans
Cooling Fans
Cooling Fans
Master Electrical Component List
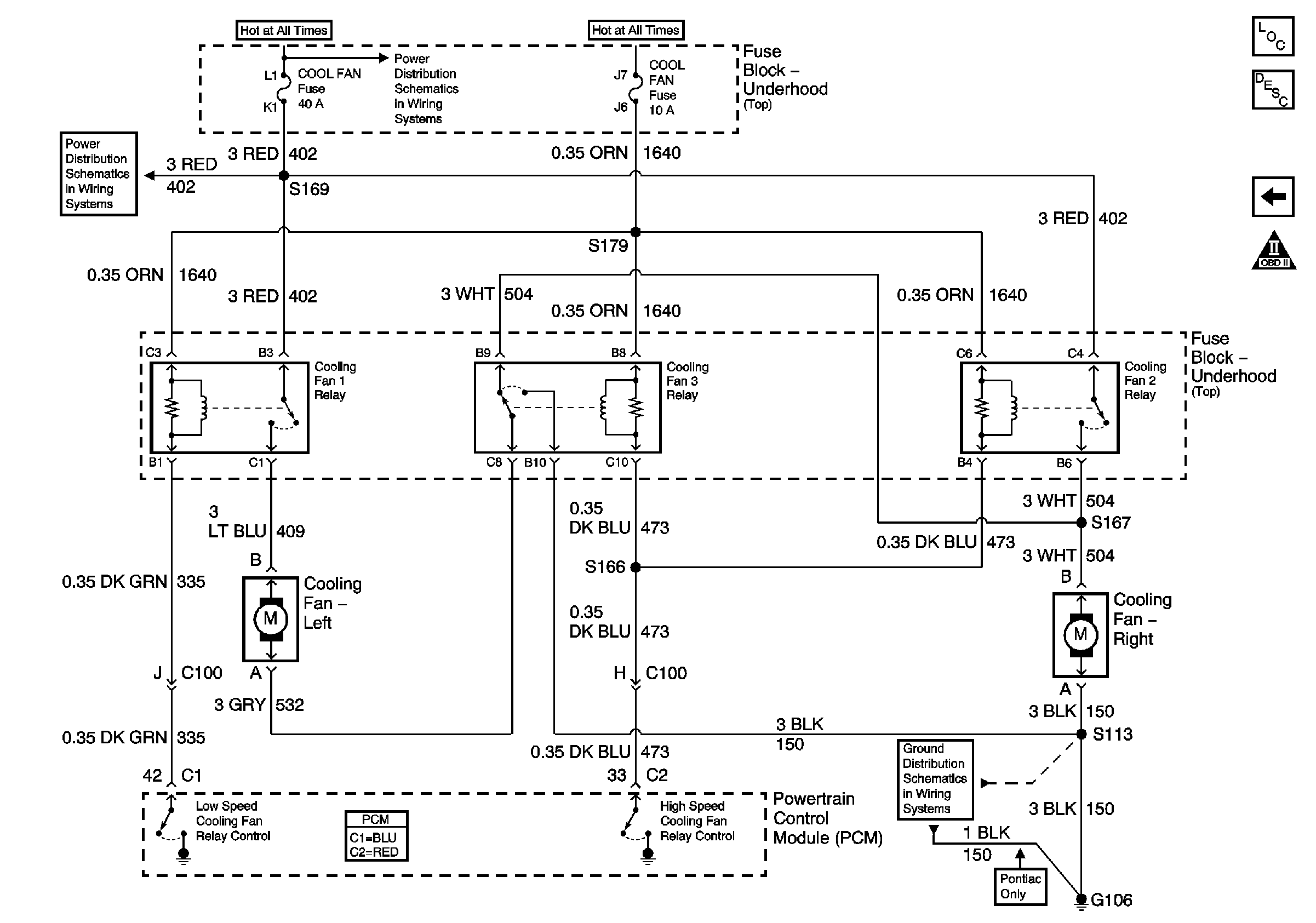
Cooling System Description and Operation
A/C Compressor Control
OBD II Symbol Description Notice
Battery, ABS BAT-1 and COOL FAN Fuses
Battery, ABS BAT-1 and COOL FAN Fuses
Powertrain Control Module Connector End Views
G106