GM Service Manual Online
For 1990-2009 cars only
Makes
🢒
Pontiac
🢒
2001
🢒
Firebird
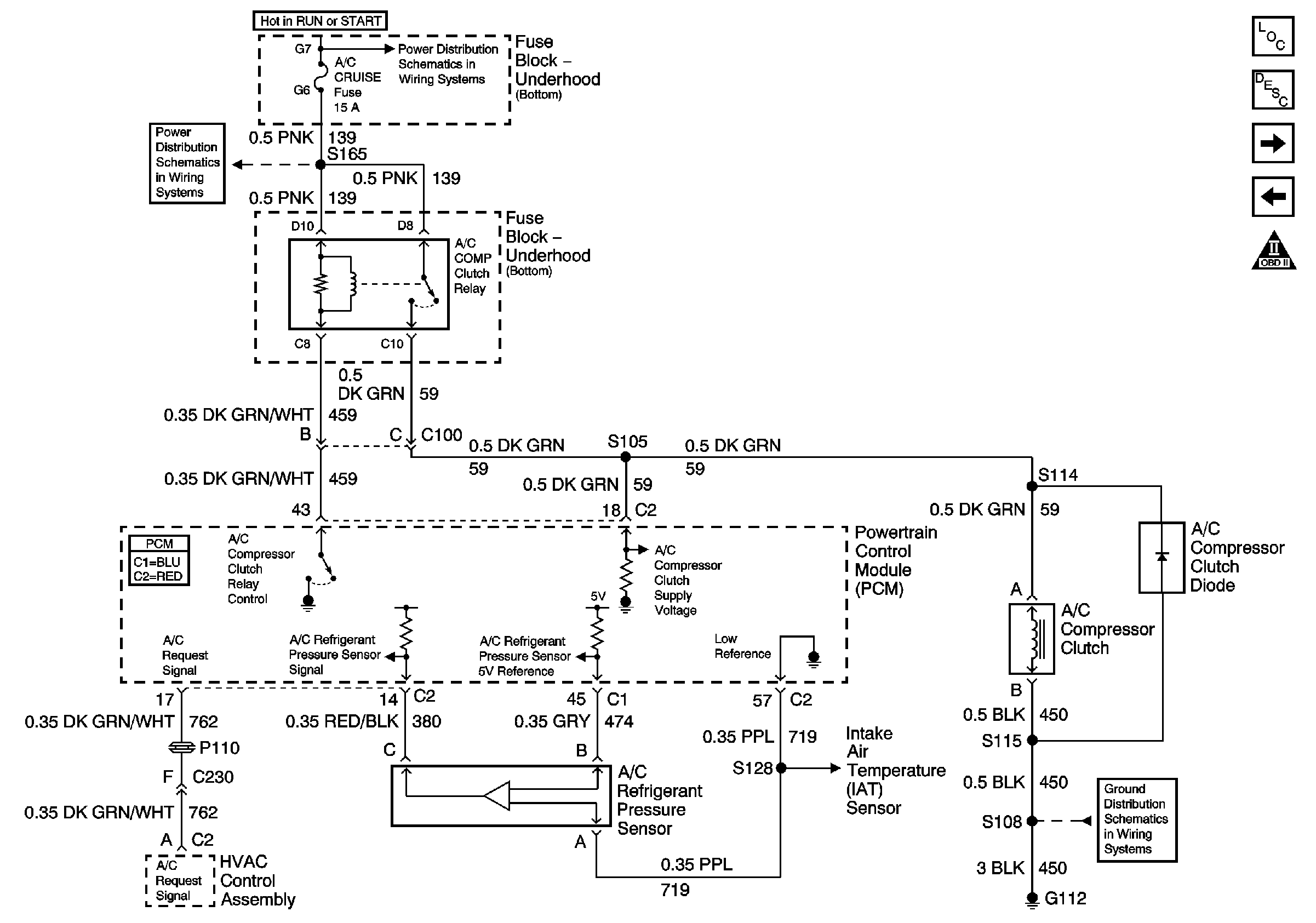
🢒 A/C Compressor Control
A/C Compressor Control
A/C Compressor Control
Master Electrical Component List
Air Temperature Description and Operation
Cooling Fans
Automatic Transmission and Park/Neutral Position Switch
OBD II Symbol Description Notice
A/C CRUISE and ETC Fuses
A/C CRUISE and ETC Fuses
Powertrain Control Module Connector End Views
Engine Sensors
G112 V8 VIN G