GM Service Manual Online
For 1990-2009 cars only
Makes
🢒
Pontiac
🢒
2001
🢒
Firebird
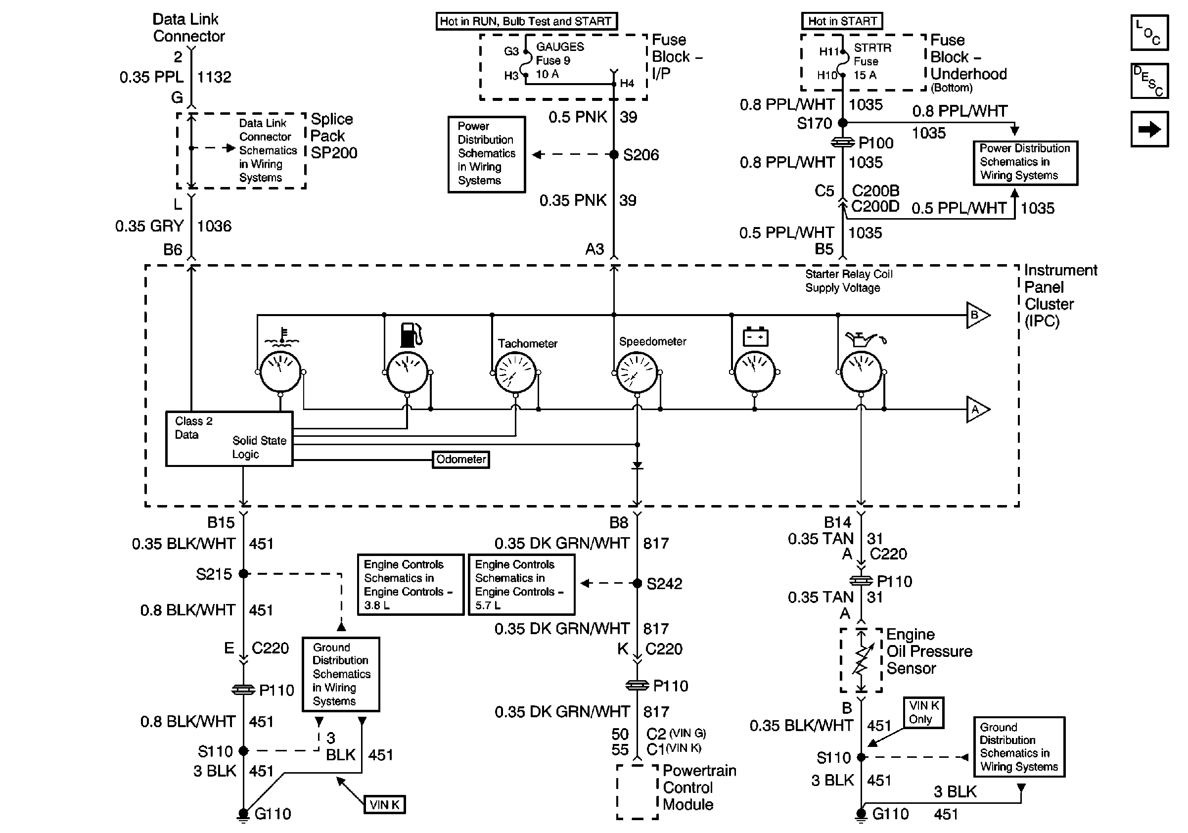
🢒 Instrument Cluster Gauges
Instrument Cluster Gauges
Instrument Cluster Gauges
Master Electrical Component List
Instrument Cluster Description and Operation
Instrument Cluster Illumination and Indicators
Class 2 Serial Data Line
AIR BAG and GAUGES Fuses
ABS IGN, PCM IGN, and STRTR Fuses
Instrument Cluster Indicators
Instrument Cluster Illumination and Indicators
G110 V6 VIN K
VSS, Cruise, Generator, Engine Oil Level
BCM, Cruise Control Module, EBCM, IPC, Radio, and VSS
G110 V8 VIN G