GM Service Manual Online
For 1990-2009 cars only
Makes
🢒
Pontiac
🢒
2001
🢒
Firebird
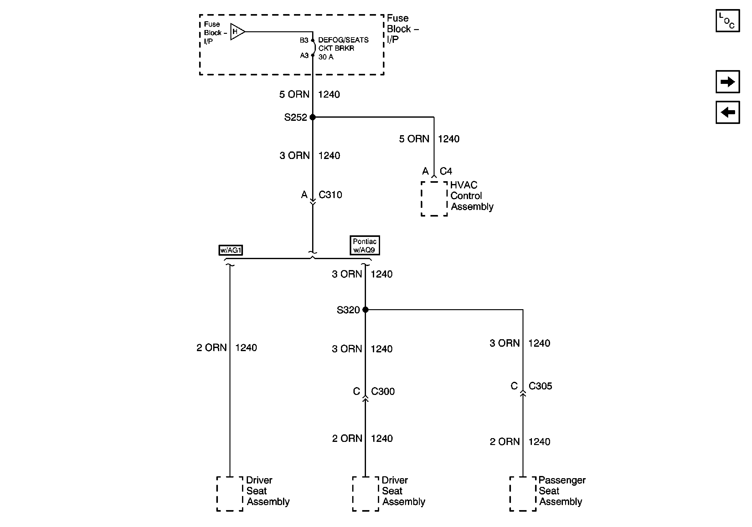
🢒 DEFOG/SEATS Circuit Breaker
DEFOG/SEATS Circuit Breaker
DEFOG/SEATS Circuit Breaker
Master Electrical Component List
AIR PUMP, FUEL PUMP and PCM BAT Fuses
COURTESY and RADIO ACCY Fuses
COURTESY and RADIO ACCY Fuses