GM Service Manual Online
For 1990-2009 cars only
Makes
🢒
Pontiac
🢒
2001
🢒
Firebird
🢒 Body Control Module and Courtesy Lamps
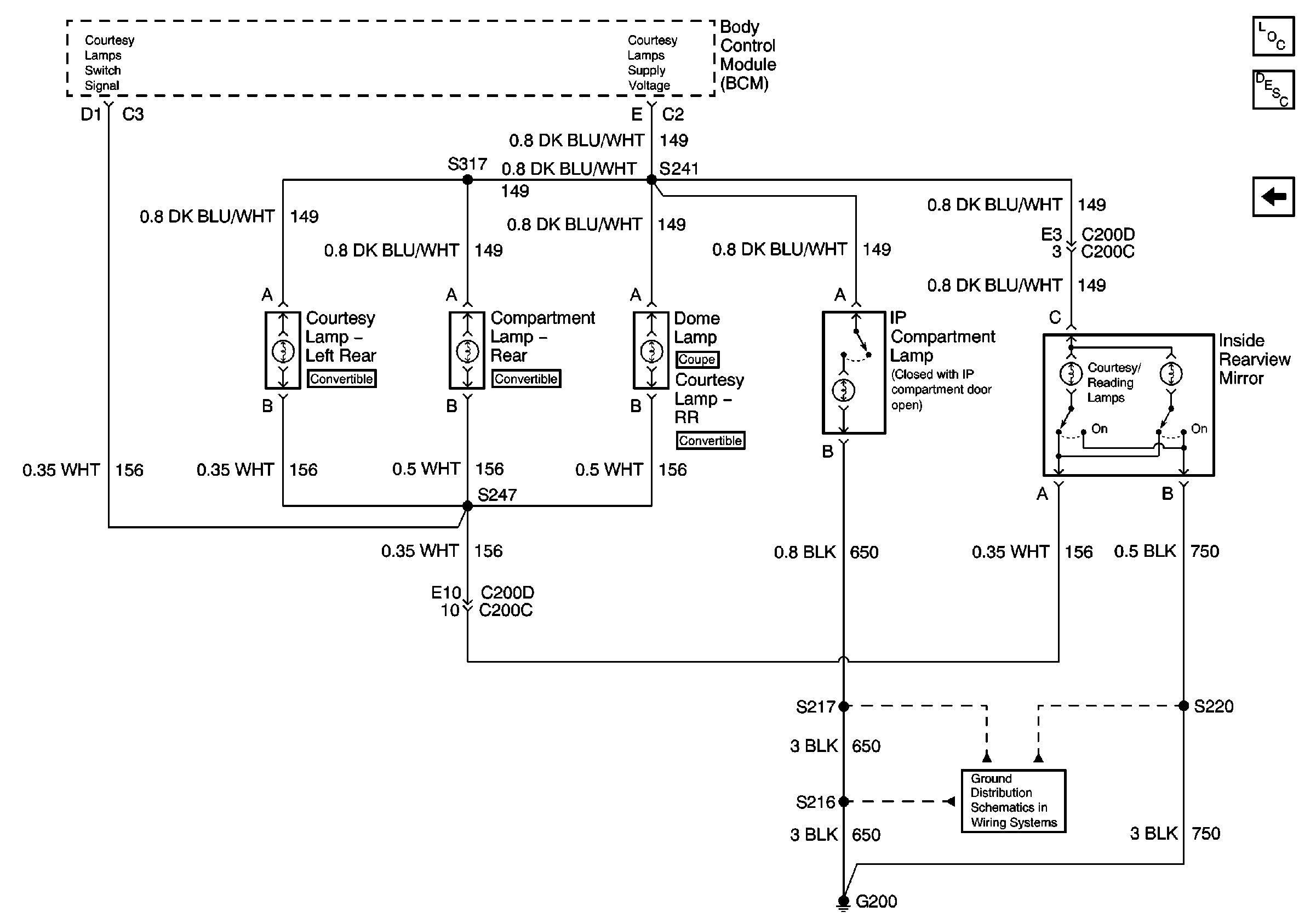
Body Control Module and Courtesy Lamps
Body Control Module and Courtesy Lamps
Master Electrical Component List
Interior Lighting Systems Description and Operation
Body Control Module and Switch Inputs
G200 Splice S220