GM Service Manual Online
For 1990-2009 cars only
Makes
🢒
Pontiac
🢒
2001
🢒
Firebird
🢒 Body Control Module and Switch Inputs
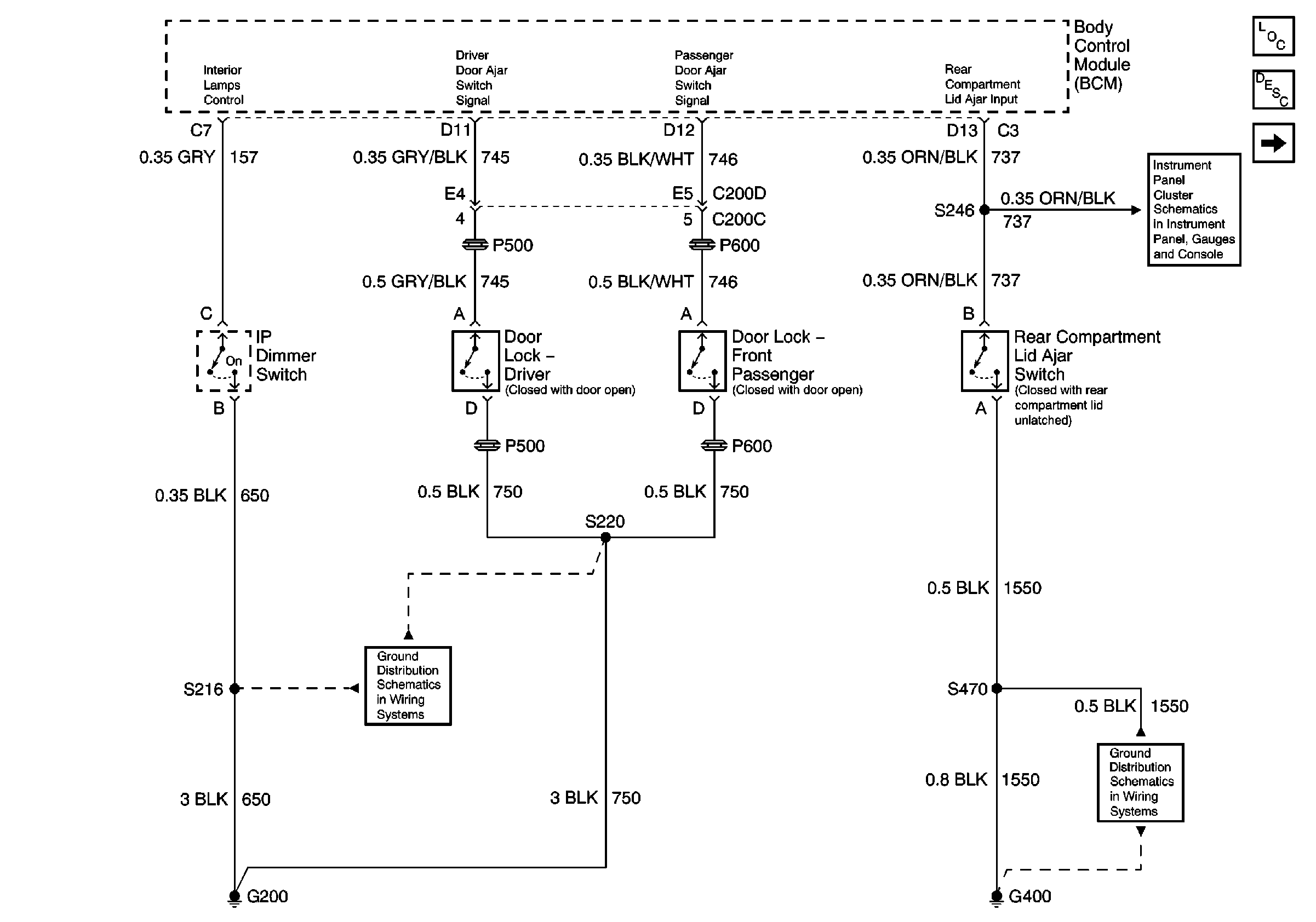
Body Control Module and Switch Inputs
Body Control Module and Switch Inputs
Master Electrical Component List
Interior Lighting Systems Description and Operation
Body Control Module and Courtesy Lamps
G200 Splice S220
G400 Splice S470