GM Service Manual Online
For 1990-2009 cars only
Makes
🢒
Pontiac
🢒
2001
🢒
Firebird
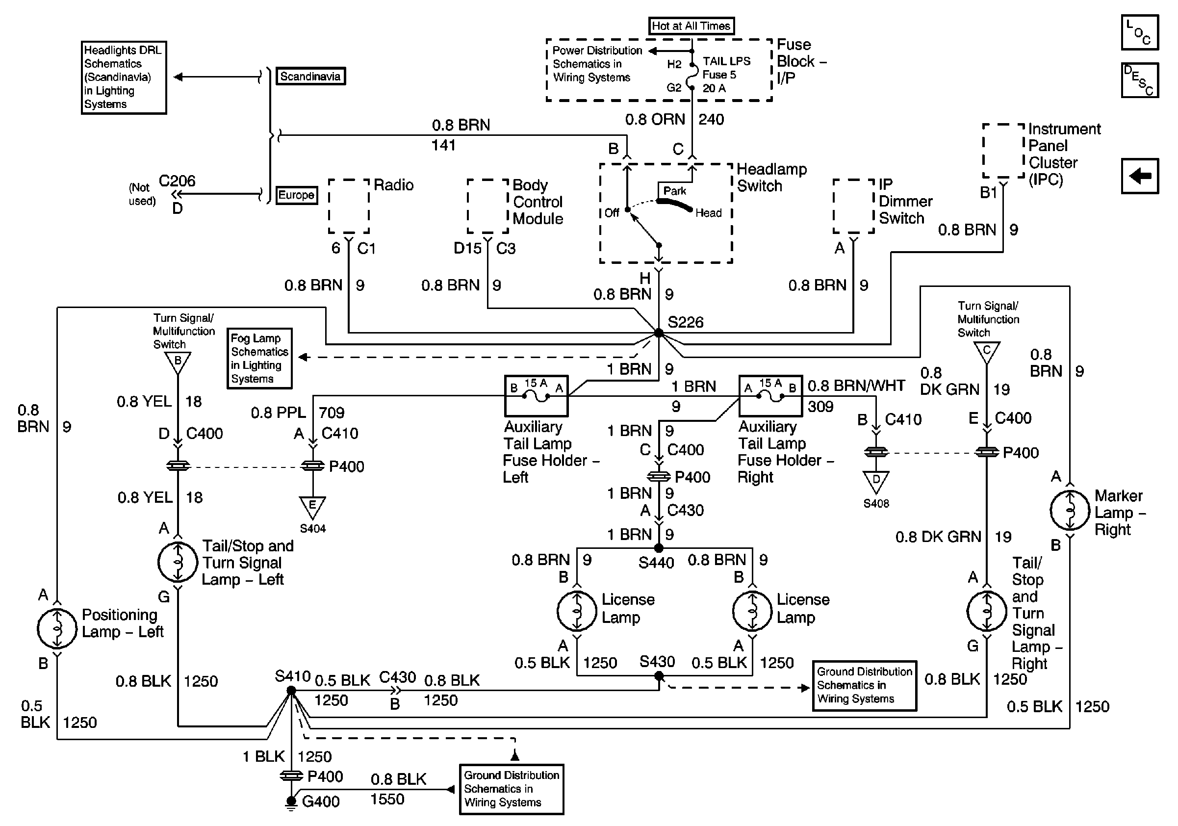
🢒 Chevrolet: Side Marker Lamp, Position Lamp, License Lamps, Tail/Stop/Turn Lamps
Chevrolet: Side Marker Lamp, Position Lamp, License Lamps, Tail/Stop/Turn Lamps
Chevrolet: Side Marker Lamp, Position Lamp, License Lamps, Tail/Stop/Turn Lamps
Master Electrical Component List
Exterior Lighting Systems Description and Operation
Chevrolet: Center High Mounted Stop Lamp, Taillamps, Tail/Stop Lamps
Chevrolet: Side Marker Lamps, Park/Turn Lamps
Chevrolet: Center High Mounted Stop Lamp, Taillamps, Tail/Stop Lamps
G400 Chevrolet
G400 Chevrolet
Chevrolet: Center High Mounted Stop Lamp, Taillamps, Tail/Stop Lamps
Chevrolet: Front Fog Lamps
Chevrolet: Side Marker Lamps, Park/Turn Lamps
TAIL LPS and STOP/HAZARD Fuses
Chevrolet