GM Service Manual Online
For 1990-2009 cars only
Makes
🢒
Pontiac
🢒
2002
🢒
Firebird
🢒
Body and Accessories
🢒
Doors
🢒 Outside Rearview Mirror Schematics
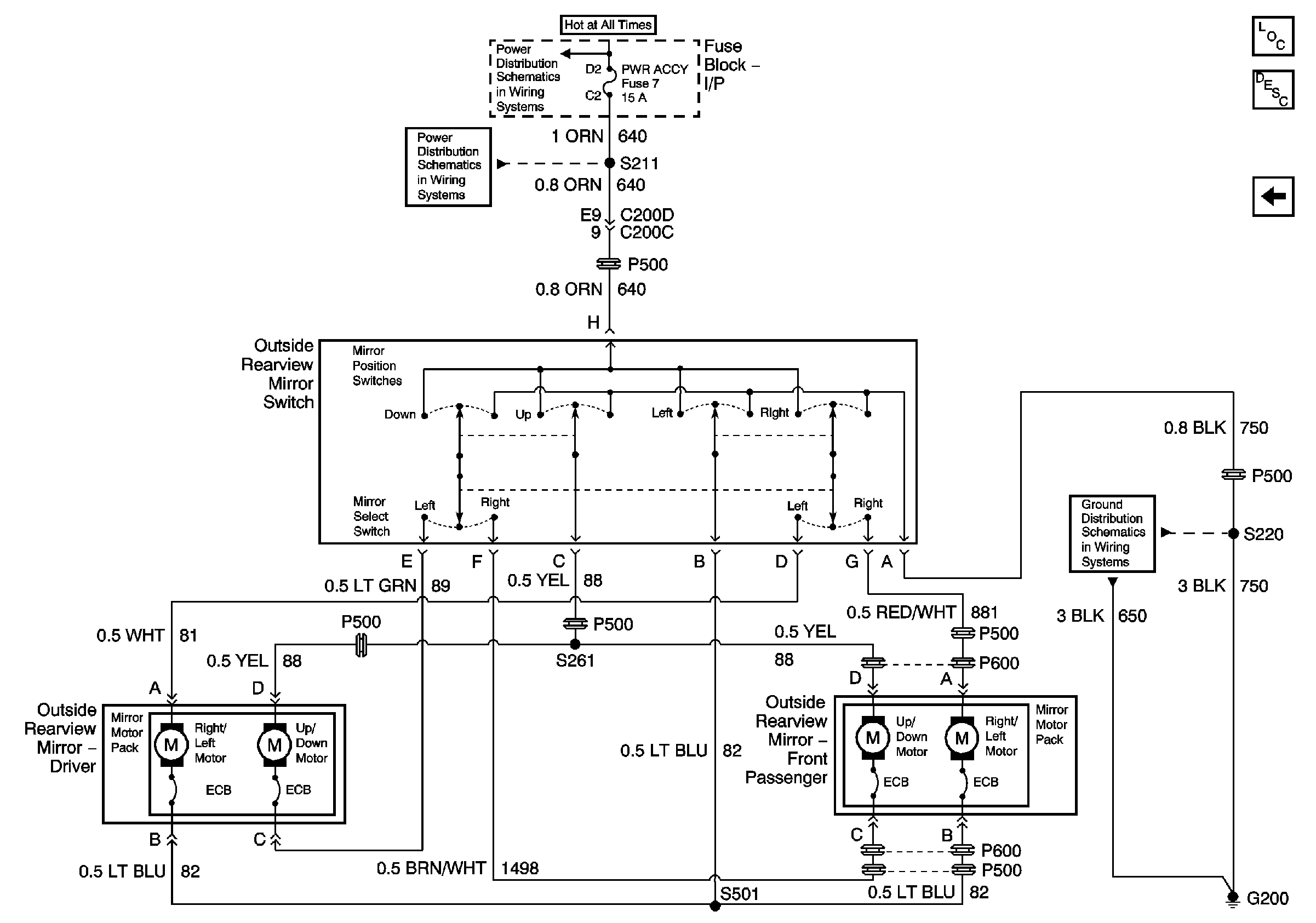
Figure
1:
Chevrolet
Master Electrical Component List
Outside Mirror Description and Operation
Pontiac
I/P-2,TAIL LPS, STOP/HAZARD,PWR ACCY and CIG/ACCY Fuses
I/P-2,TAIL LPS, STOP/HAZARD,PWR ACCY and CIG/ACCY Fuses
G200 Page 1 of 3
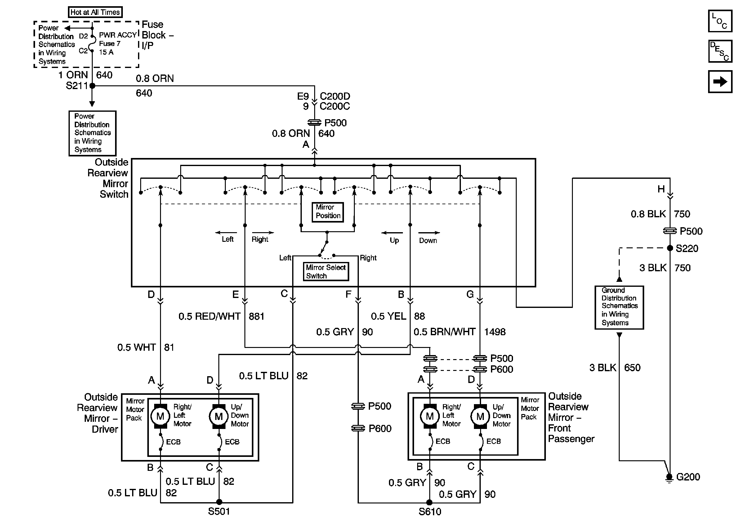
Figure
2:
Pontiac
Master Electrical Component List
Outside Mirror Description and Operation
Chevrolet
I/P-2,TAIL LPS, STOP/HAZARD,PWR ACCY and CIG/ACCY Fuses
I/P-2,TAIL LPS, STOP/HAZARD,PWR ACCY and CIG/ACCY Fuses
G200 Page 1 of 3