GM Service Manual Online
For 1990-2009 cars only
Makes
🢒
Pontiac
🢒
2002
🢒
Firebird
🢒 Ignition Relay
Ignition Relay
Ignition Relay
Master Electrical Component List
Powertrain Control Module Description
Engine Data Sensors 5Volt and Low Reference
Module Power,Ground Serial Data and MIL
Battery Positive Voltage Bussing
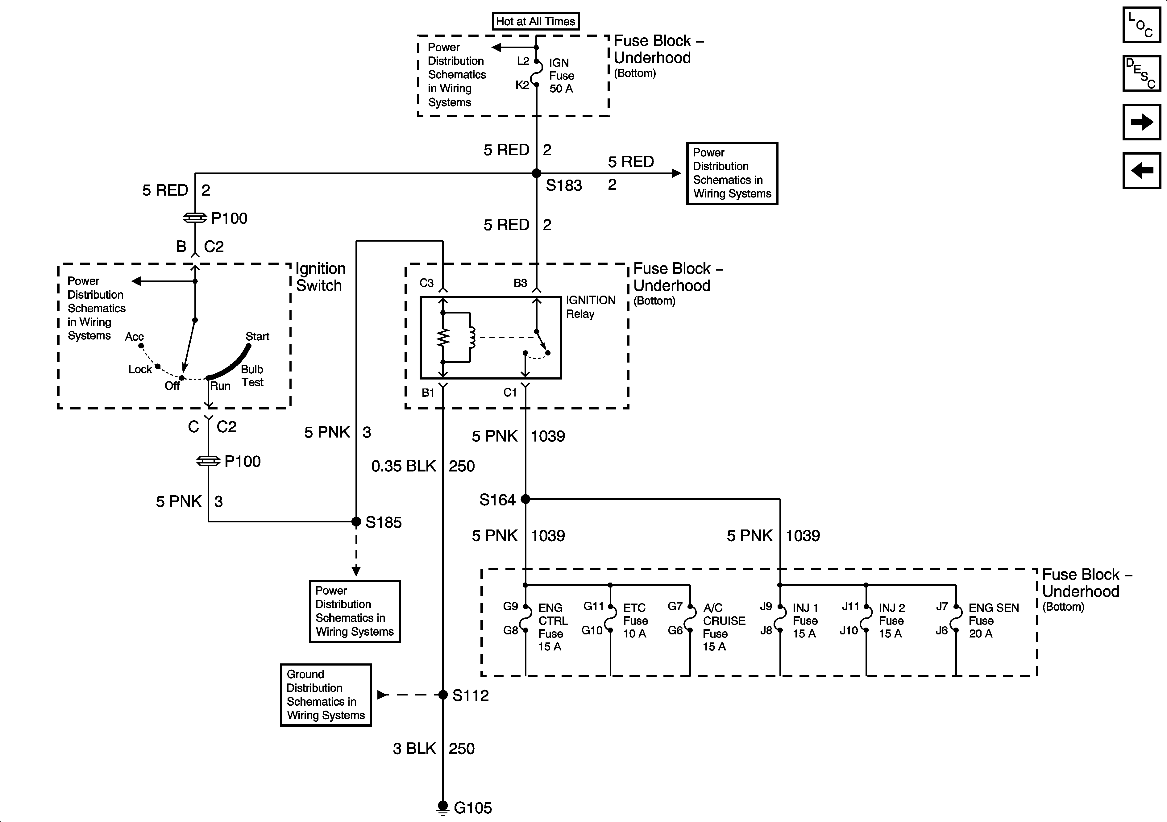
IGN Fuse and Ignition Switch Bussing
IGN Fuse and Ignition Switch Bussing
IGN Fuse and Ignition Switch Bussing
G105