GM Service Manual Online
For 1990-2009 cars only
Makes
🢒
Pontiac
🢒
2002
🢒
Firebird
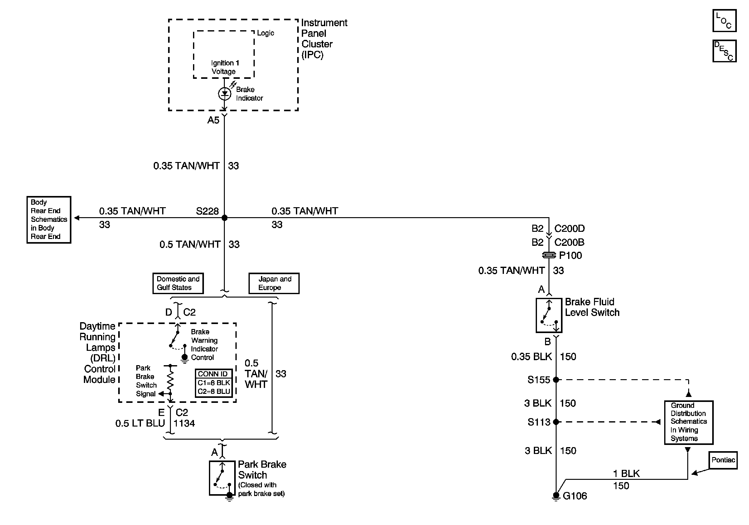
🢒 Brake Warning System Schematics
Brake Warning System Schematics
Master Electrical Component List
Brake Warning System Description and Operation
Rear Compartment Lid Release Relay Enable
G106