GM Service Manual Online
For 1990-2009 cars only
Makes
🢒
Pontiac
🢒
2002
🢒
Firebird
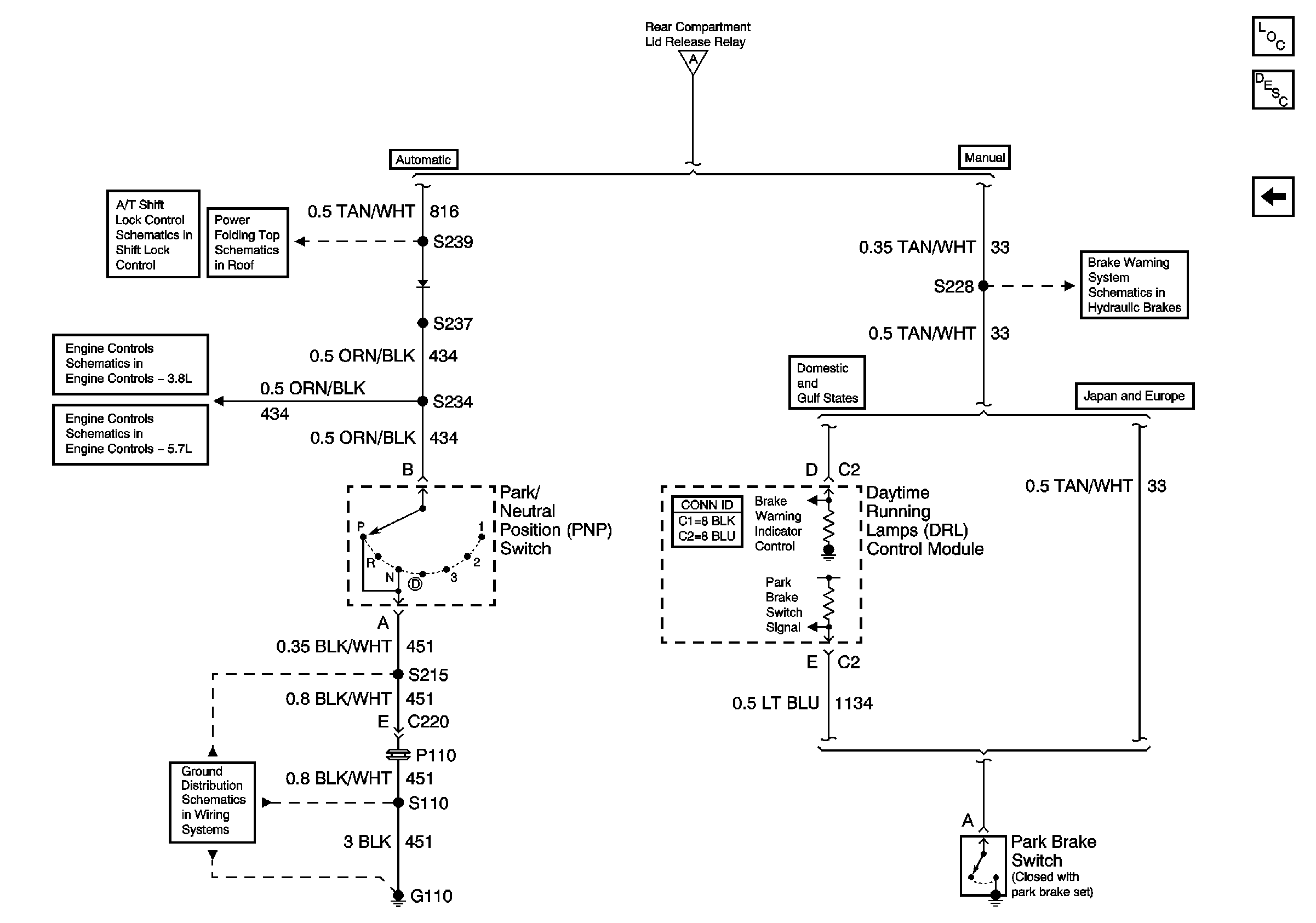
🢒 Rear Compartment Lid Release Relay Enable
Rear Compartment Lid Release Relay Enable
Rear Compartment Lid Release Relay Enable
Master Electrical Component List
Luggage Compartment Description and Operation
Rear Compartment Lid Release/Ajar Controls
Rear Compartment Lid Release/Ajar Controls
Shift Lock Control Schematic
Folding Top Relay Control
Brake Warning System Schematics
Transmission Controls-M/T and A/T
Transmission Controls-M/T and A/T
G110 V6 L36