GM Service Manual Online
For 1990-2009 cars only
Makes
🢒
Pontiac
🢒
2002
🢒
Firebird
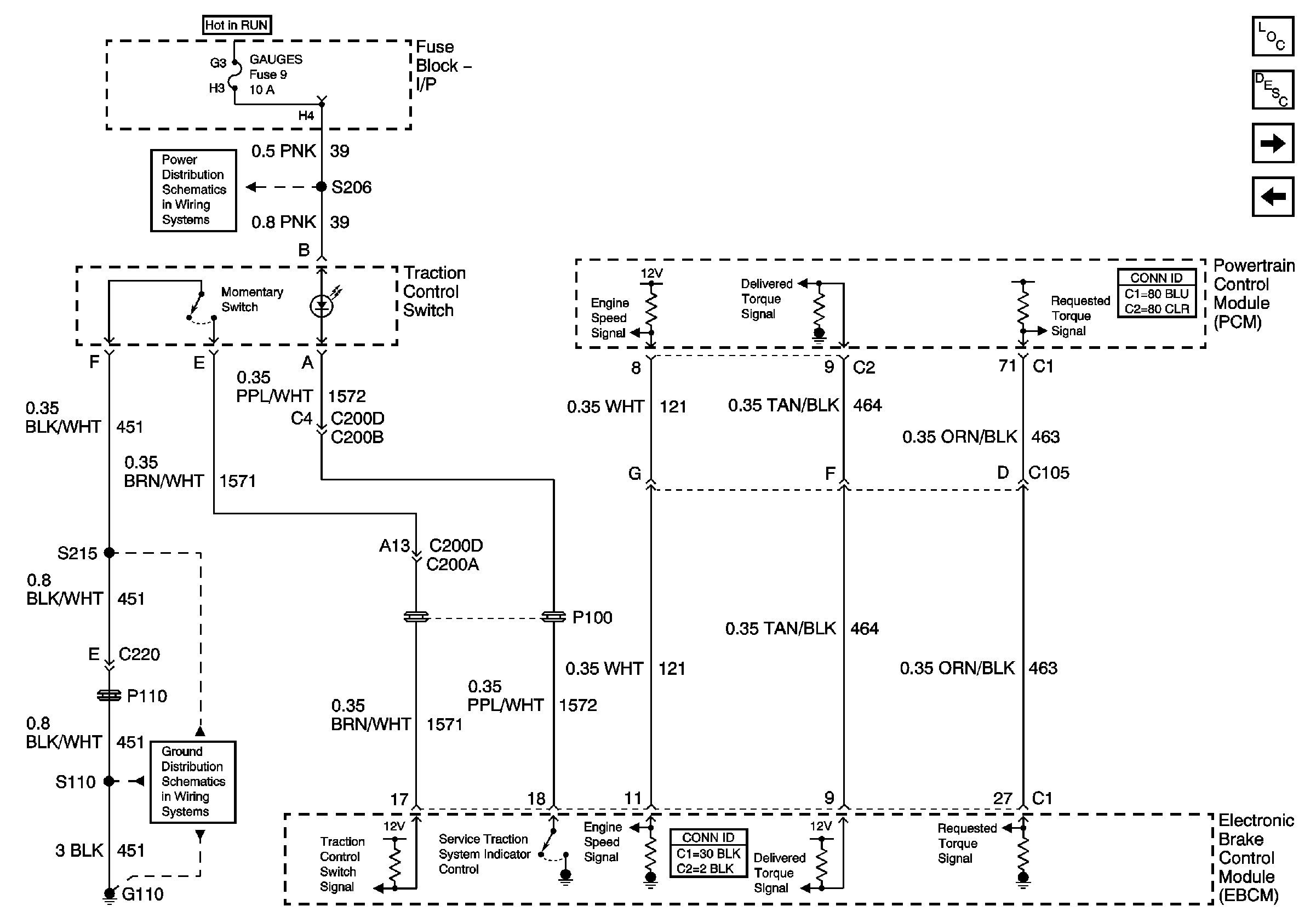
🢒 Traction Control Switch V6 L36
Traction Control Switch V6 L36
Traction Control Switch ( V6 L36)
Master Electrical Component List
ABS Description and Operation
Wheel Speed Sensors
Traction Control Switch V8 LS1
AIR BAG and GAUGES Fuses
G110 V6 L36