GM Service Manual Online
For 1990-2009 cars only
Makes
🢒
Pontiac
🢒
2002
🢒
Firebird
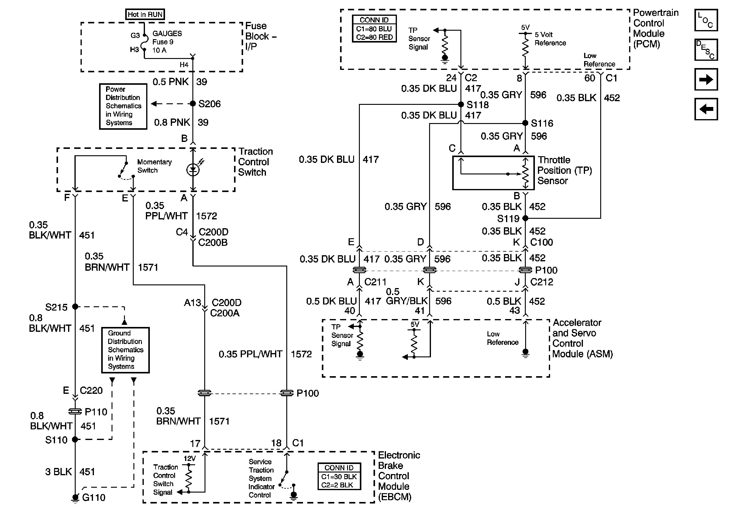
🢒 Traction Control Switch V8 LS1
Traction Control Switch V8 LS1
Traction Control Switch (V8 LS1)
Master Electrical Component List
ABS Description and Operation
ASM,Accelerator Control and Adjuster V8 VIN G W/NW9
Stop Lamp Switch, Data Link and IPC
AIR BAG and GAUGES Fuses
G110 V6 L36