GM Service Manual Online
For 1990-2009 cars only
Makes
🢒
Pontiac
🢒
2002
🢒
Firebird
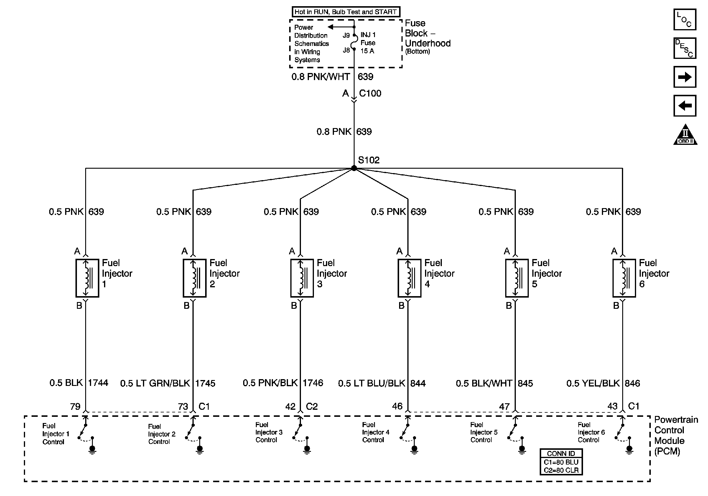
🢒 Fuel Controls-Fuel Injectors
Fuel Controls-Fuel Injectors
Fuel Controls - Fuel Injectors
Master Electrical Component List
Fuel System Description
Fuel Controls-EVAP and Device Controls
Fuel Controls-Fuel Pump Controls
OBD II Symbol Description Notice
INJ 1 Fuse