GM Service Manual Online
For 1990-2009 cars only
Makes
🢒
Pontiac
🢒
2002
🢒
Firebird
🢒 Fuel Controls-Fuel Pump Controls
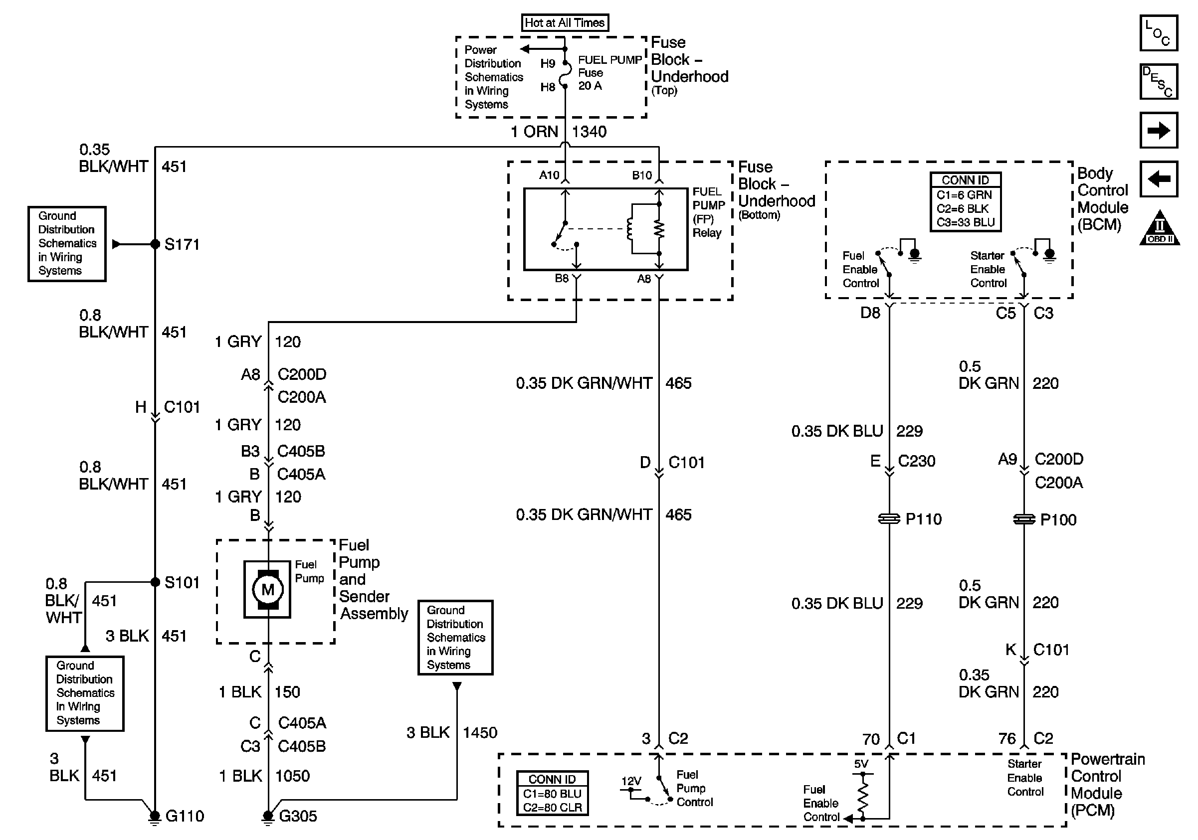
Fuel Controls-Fuel Pump Controls
Fuel Controls - Fuel Pump Controls
Master Electrical Component List
Fuel System Description
Fuel Controls-Fuel Injectors
Ignition Controls
OBD II Symbol Description Notice
ENG CTRL, FUEL PUMP, AIR PUMP and PCM BAT Fuses
G110 V6 L36
G110 V6 L36
G305, G310, G320