GM Service Manual Online
For 1990-2009 cars only
Makes
🢒
Pontiac
🢒
2002
🢒
Firebird
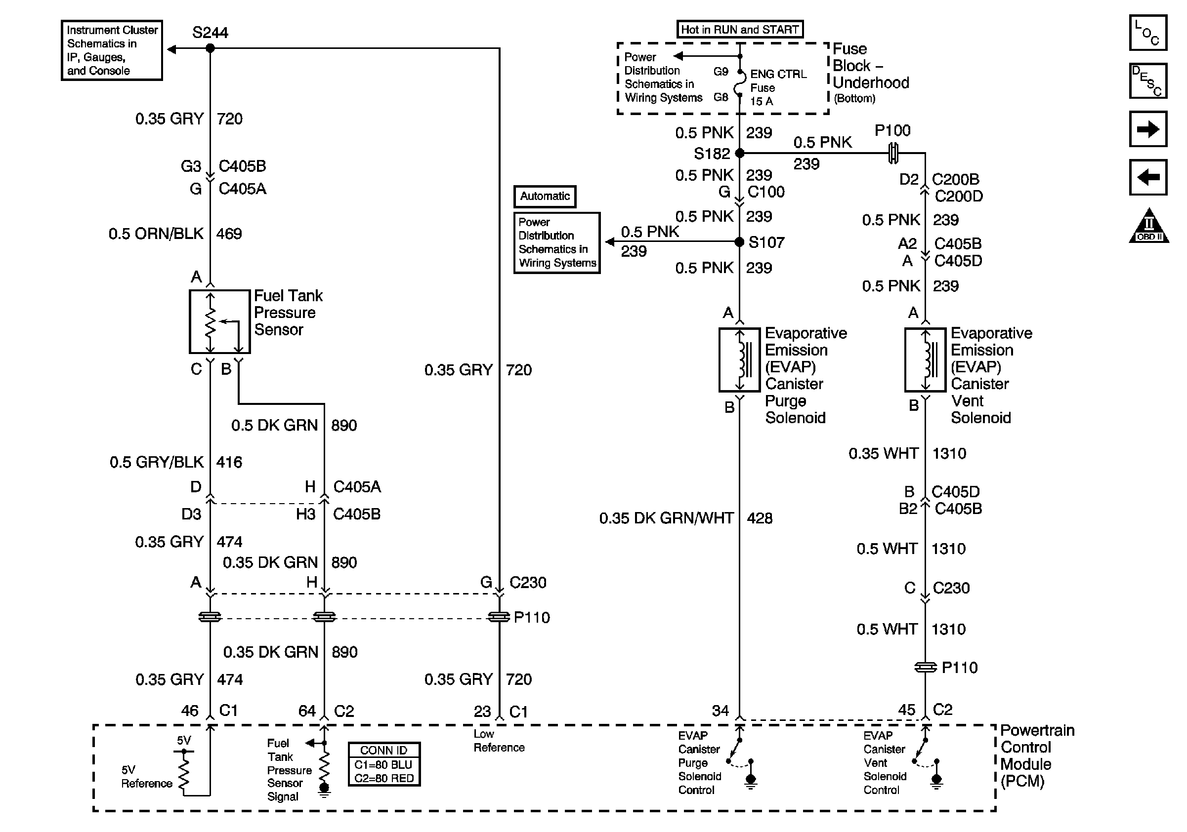
🢒 Fuel Controls-EVAP Controls
Fuel Controls-EVAP Controls
Fuel Controls EVAP Controls
Master Electrical Component List
Fuel System Description
Device Controls
Fuel Controls-Fuel Injectors
OBD II Symbol Description Notice
Engine Coolant Temperature Gauge, Engine Oil Pressure Gauge and Fuel Level Gauge
ENG CTRL Fuse
ENG CTRL Fuse