GM Service Manual Online
For 1990-2009 cars only
Makes
🢒
Pontiac
🢒
2002
🢒
Firebird
🢒 MM6
MM6
Master Electrical Component List
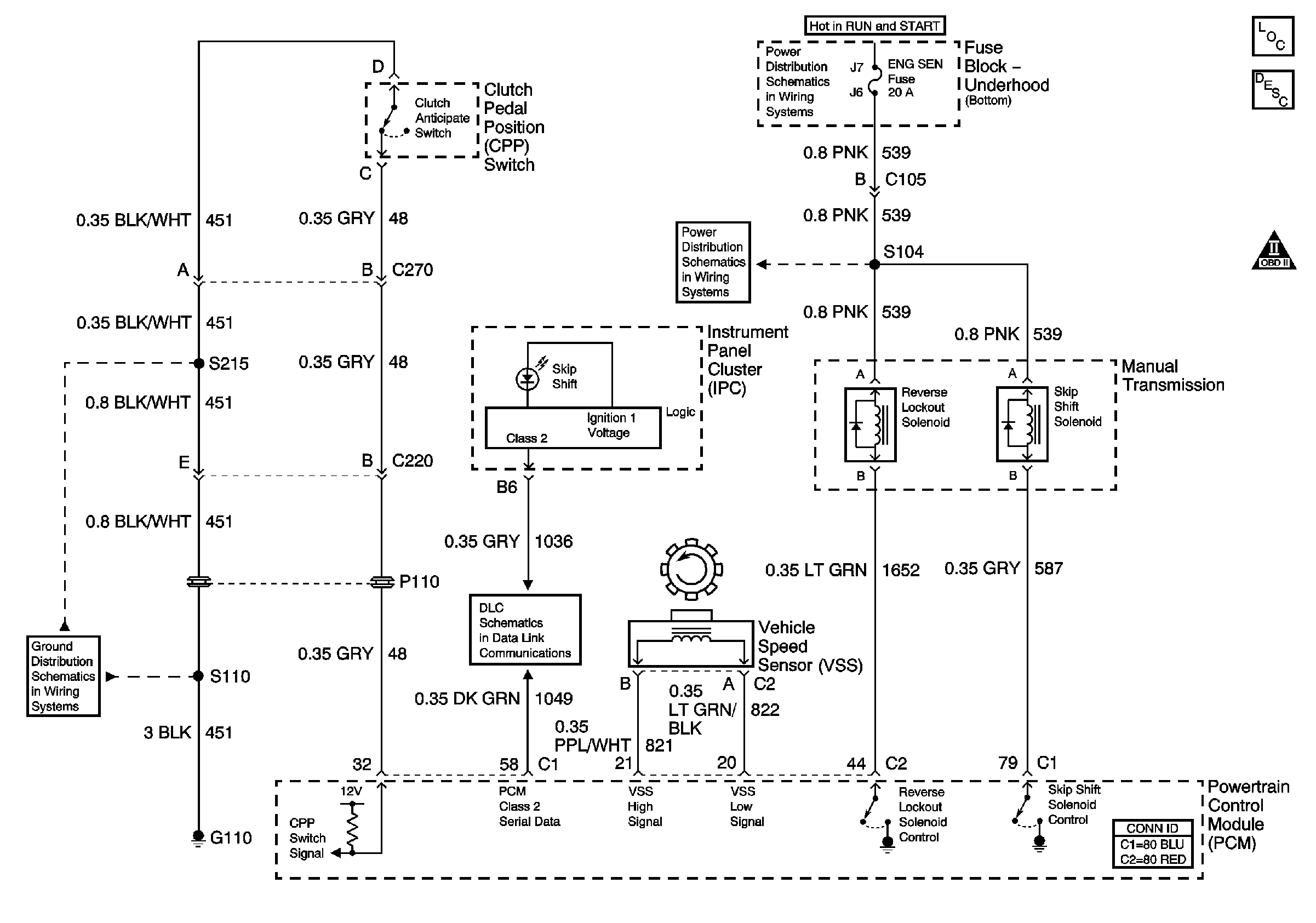
Manual Transmission Description and Operation
OBD II Symbol Description Notice
G110 V6 L36
ENG SEN Fuse
ENG SEN Fuse
Class 2 Serial Data Communication