GM Service Manual Online
For 1990-2009 cars only
Makes
🢒
Pontiac
🢒
2002
🢒
Firebird
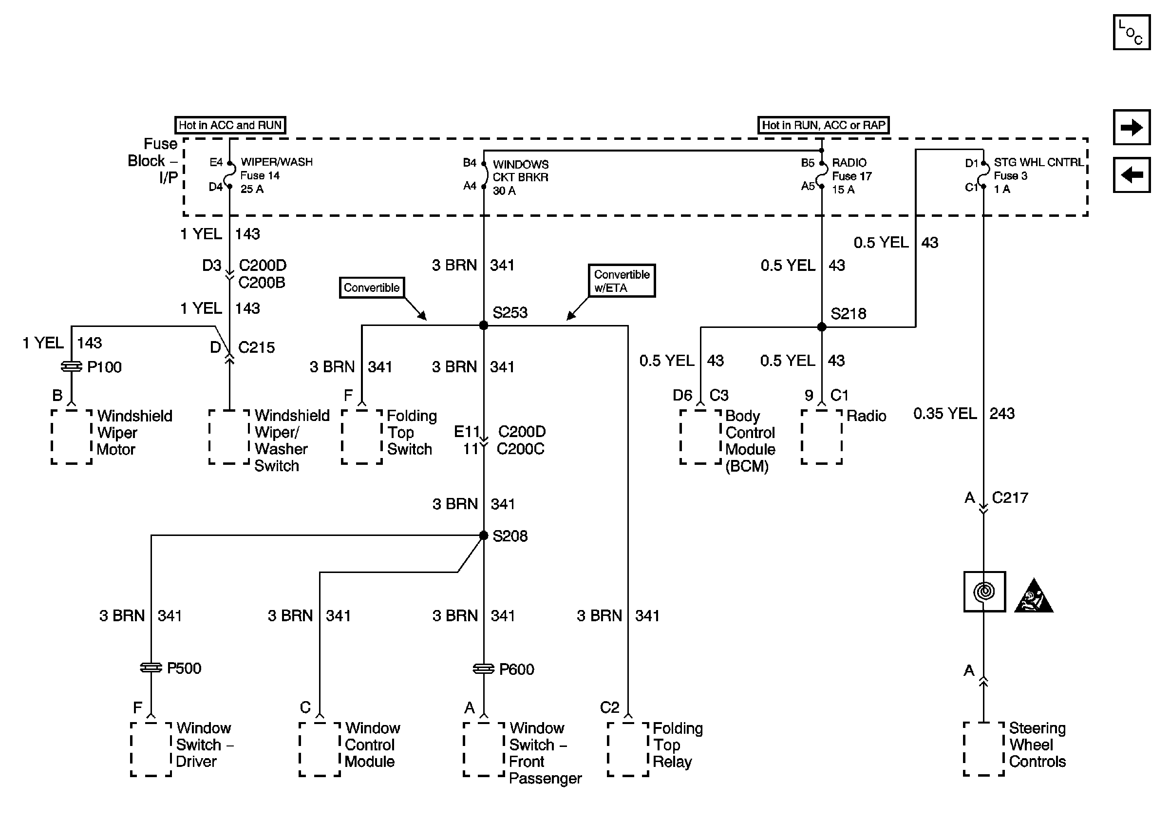
🢒 WINDOWS CKT BRKR, RADIO, STG WHL CNTRL, WIPER/WASH Fuses
WINDOWS CKT BRKR, RADIO, STG WHL CNTRL, WIPER/WASH Fuses
WIPER/WASH, RADIO, STG WHL CNTRL Fuses and WINDOWS CKT BRKR
Master Electrical Component List
HVAC and TURN B/U Fuses
ENG SEN Fuse
SIR Caution