GM Service Manual Online
For 1990-2009 cars only
Makes
🢒
Pontiac
🢒
2002
🢒
Firebird
🢒 Switch Signals
Switch Signals
Switch Signals
Master Electrical Component List
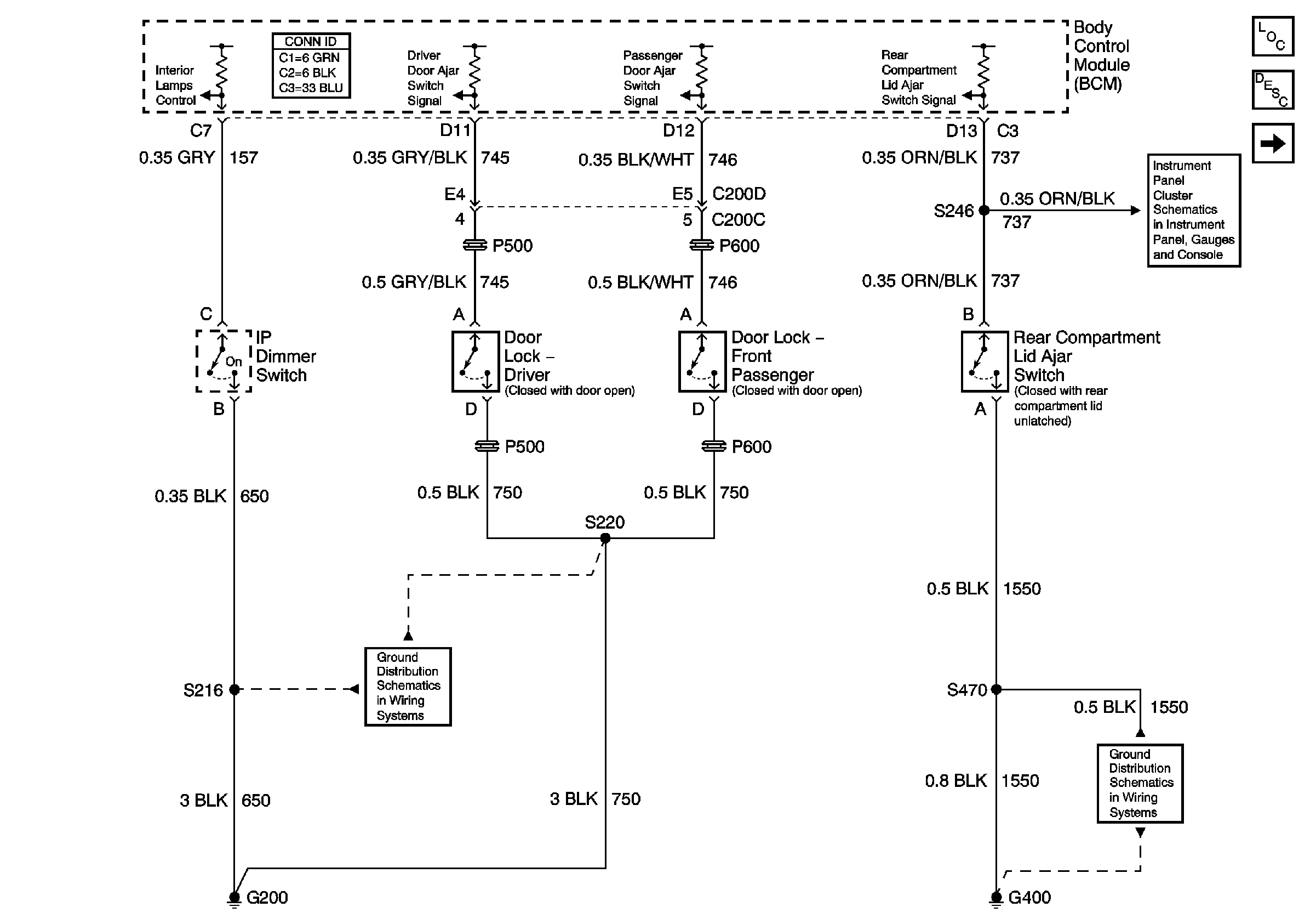
Interior Lighting Systems Description and Operation
Courtesy Lamps
G200 Page 1 of 3
Lamp Indicators
G400 Coupe and Convertible