GM Service Manual Online
For 1990-2009 cars only
Makes
🢒
Pontiac
🢒
2002
🢒
Firebird
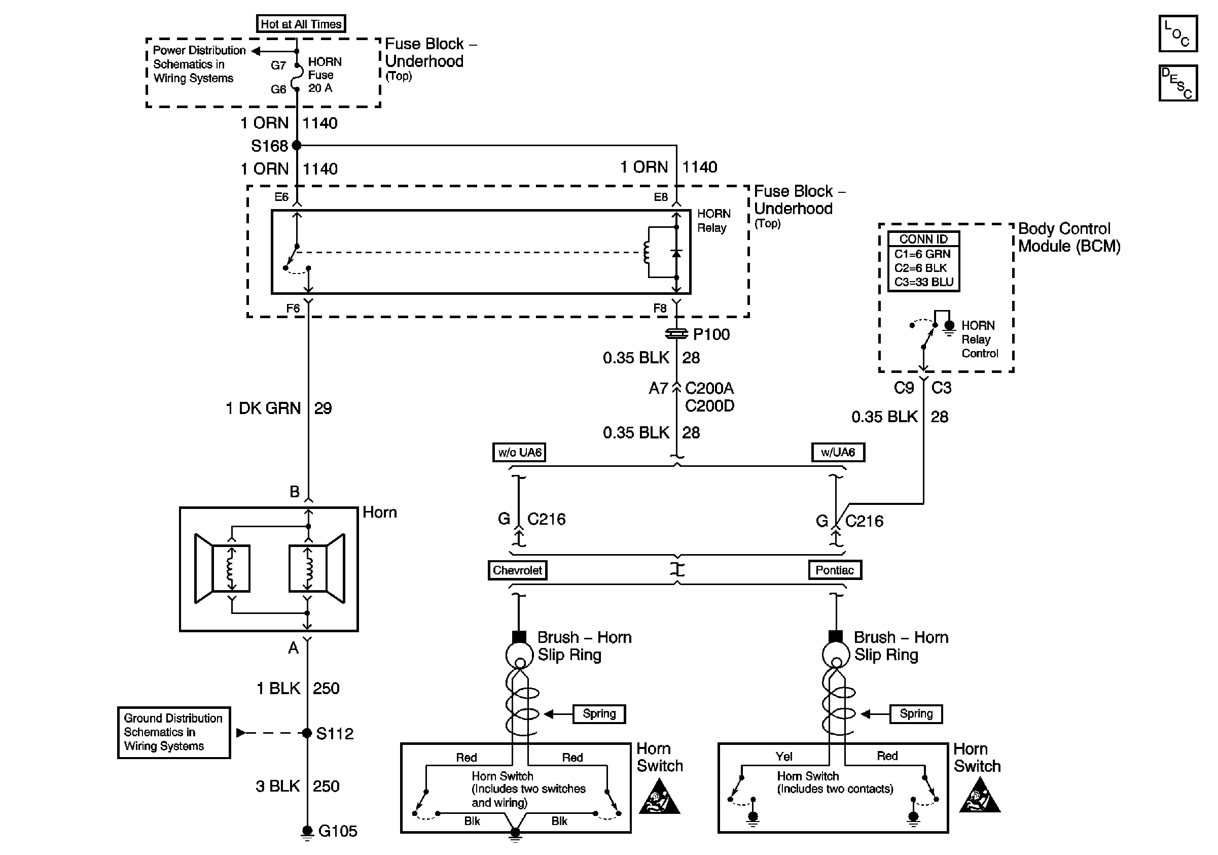
🢒 Horns Schematic
Horns Schematic
Master Electrical Component List
Horns System Description and Operation
SIR Handling Caution
SIR Handling Caution
ABS BAT-2, H/L DR-HORN, TCS BAT, ABS BAT SOL, LH HDLP DR, RH HDLP DR and HORN Fuses
G105