GM Service Manual Online
For 1990-2009 cars only
Makes
🢒
Pontiac
🢒
2002
🢒
Firebird
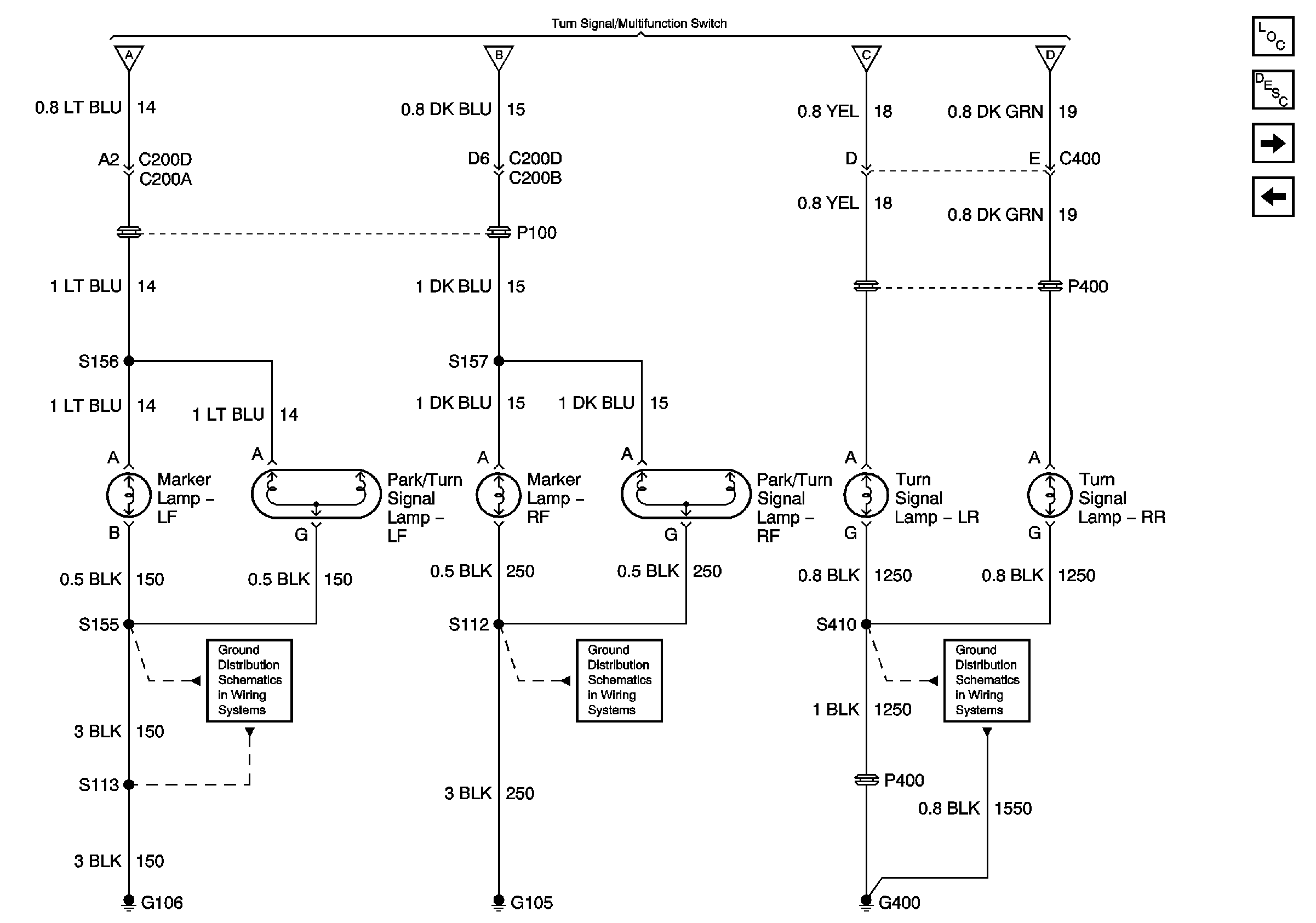
🢒 Turn Signal Lamps Chevrolet Europe and Scandanavia
Turn Signal Lamps Chevrolet Europe and Scandanavia
Turn Signal Lamps - Chevrolet - Europe and Scandanavia
Master Electrical Component List
Interior Lighting Systems Description and Operation
Stoplamps Chevrolet Europe and Scandanavia
Turn Signal Control Chevrolet Europe and Scandinavia
Turn Signal Control Chevrolet Europe and Scandinavia
Turn Signal Control Chevrolet Europe and Scandinavia
Turn Signal Control Chevrolet Europe and Scandinavia
Turn Signal Control Chevrolet Europe and Scandinavia
G106
G105
G400 Chevrolet