GM Service Manual Online
For 1990-2009 cars only
Makes
🢒
Pontiac
🢒
2002
🢒
Firebird
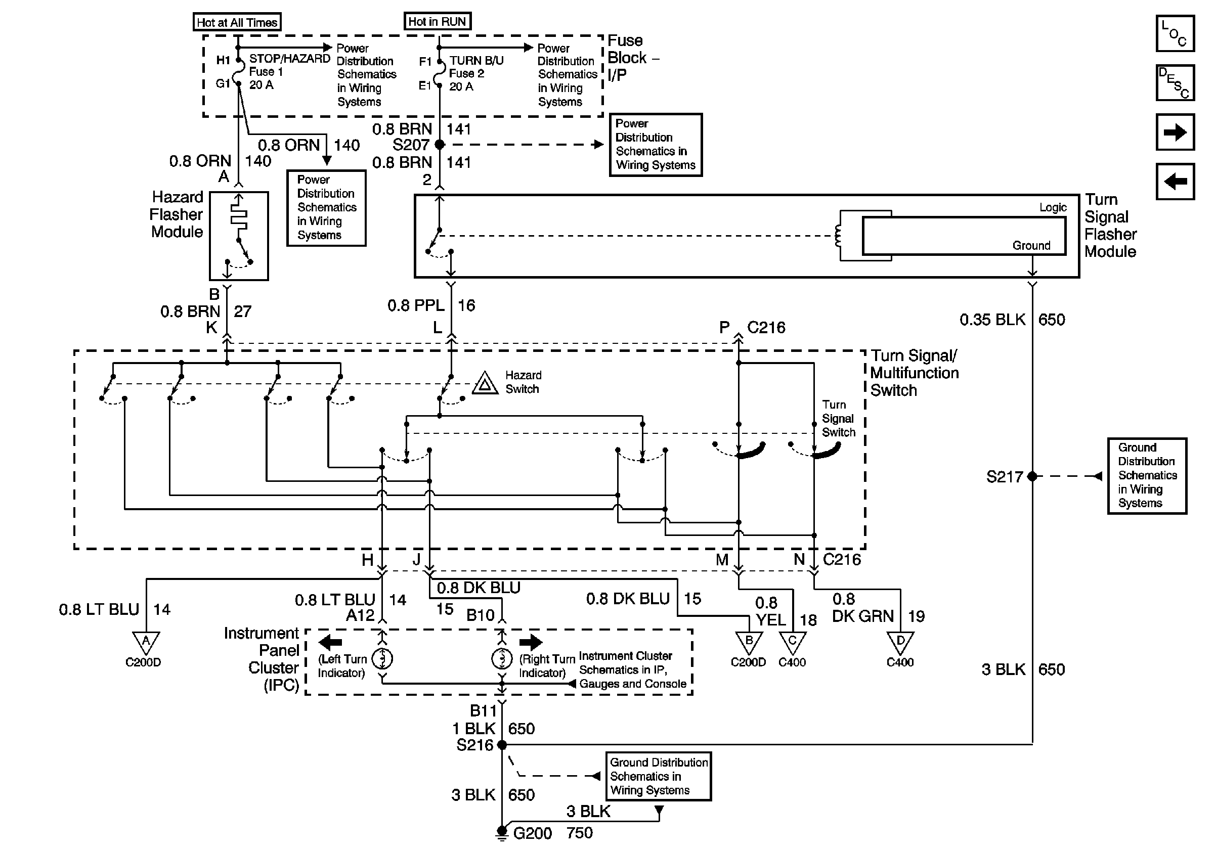
🢒 Turn Signal Control Chevrolet Europe and Scandinavia
Turn Signal Control Chevrolet Europe and Scandinavia
Turn Signal Controls - Chevrolet - Europe and Scandanavia
Master Electrical Component List
Exterior Lighting Systems Description and Operation
Turn Signal Lamps Chevrolet Europe and Scandanavia
Parklamps Chevrolet Europe and Scandanavia
I/P-2,TAIL LPS, STOP/HAZARD,PWR ACCY and CIG/ACCY Fuses
HVAC and TURN B/U Fuses
I/P-2,TAIL LPS, STOP/HAZARD,PWR ACCY and CIG/ACCY Fuses
HVAC and TURN B/U Fuses
Turn Signal Lamps Chevrolet Europe and Scandanavia
Lamp Indicators
Turn Signal Lamps Chevrolet Europe and Scandanavia
Turn Signal Lamps Chevrolet Europe and Scandanavia
Turn Signal Lamps Chevrolet Europe and Scandanavia
G200 Page 1 of 3
G200 Page 1 of 3