GM Service Manual Online
For 1990-2009 cars only
Figure 1:

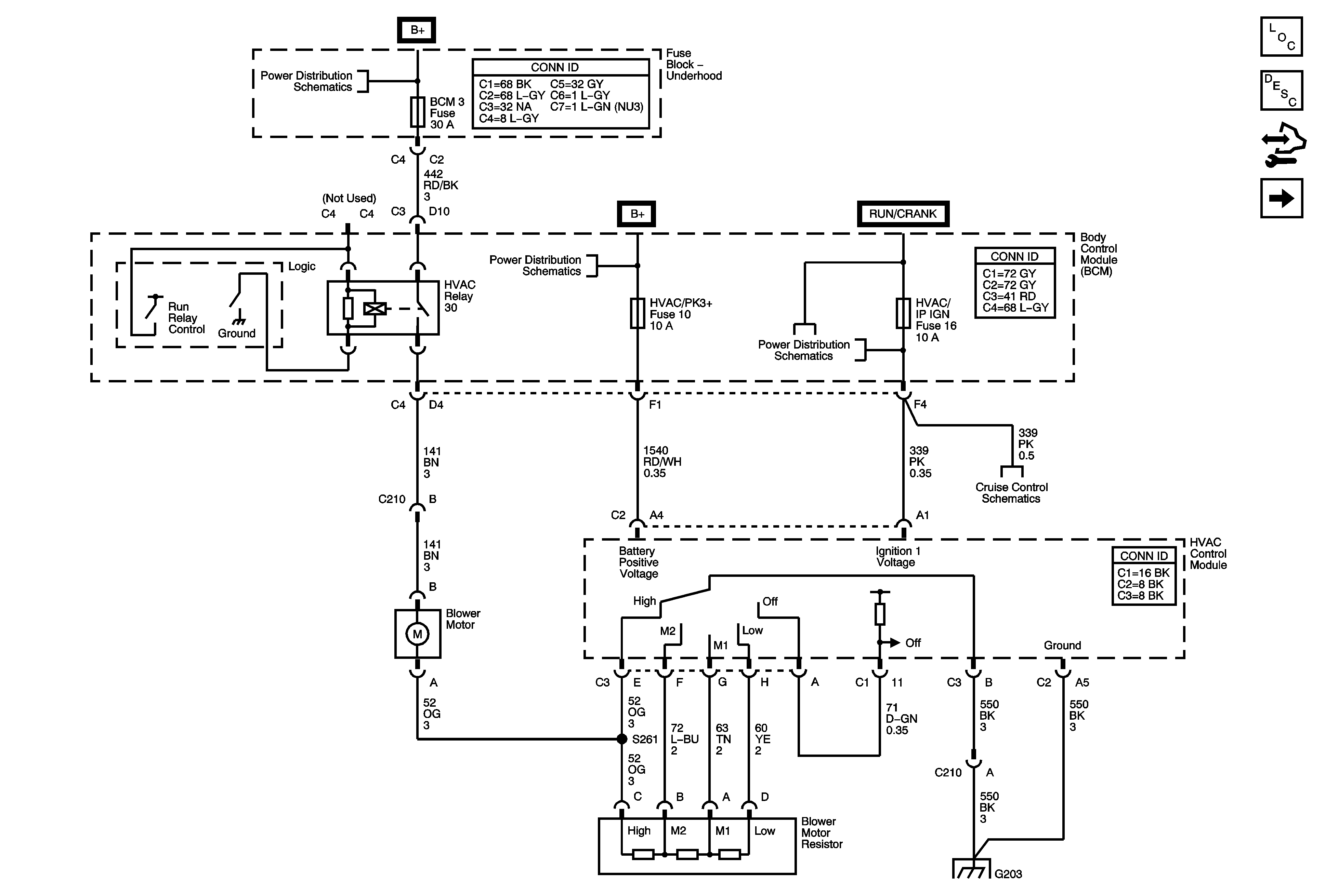
Power, Ground, Blower Motor


Object Number: 1784166  Size: FS
Master Electrical Component List
Air Delivery Description and Operation
Control Module References
Compressor Controls
Body Control Module - AUDIO AMPLIFIER Fuse, BCM2 Fuse, CLUSTER Fuse, IGN SW Fuse, STOP LPS Fuse
Body Control Module - AUDIO AMPLIFIER Fuse, BCM2 Fuse, CLUSTER Fuse, IGN SW Fuse, STOP LPS Fuse
Underhood Fuse Block IP IGN Fuse, Body Control Module Fuses - AIRBAG, EPS/STR WHL CNTRL, HVAC/IP IGN, WPR
Clutch Pedal Position Switch, Stop Lamp Switch
G109, G111, G203, G306
Figure 2:

Compressor Controls


Object Number: 1784164  Size: FS
Master Electrical Component List
Air Delivery Description and Operation
Control Module References
Mode and Temperature Controls
Power, Ground, Blower Motor
Underhood Fuse Block Fuses- ABS, ABS2, BCK UP, CNSTR VENT, ECM/TRANS, EPS, HTD SEATS, IP IGN, LTR, MIR, PRK/NEUT, S-BAND/ONSTAR, and RUN/CRANK Relay
High Speed GMLAN
G101, G102
Figure 3:

Mode and Air Temperature Controls


Object Number: 1784153  Size: FS
Master Electrical Component List
Air Temperature Description and Operation
Control Module References
Compressor Controls