GM Service Manual Online
For 1990-2009 cars only
Makes
🢒
Pontiac
🢒
2007
🢒
G5
🢒 Sedan
Sedan
Sedan
Master Electrical Component List
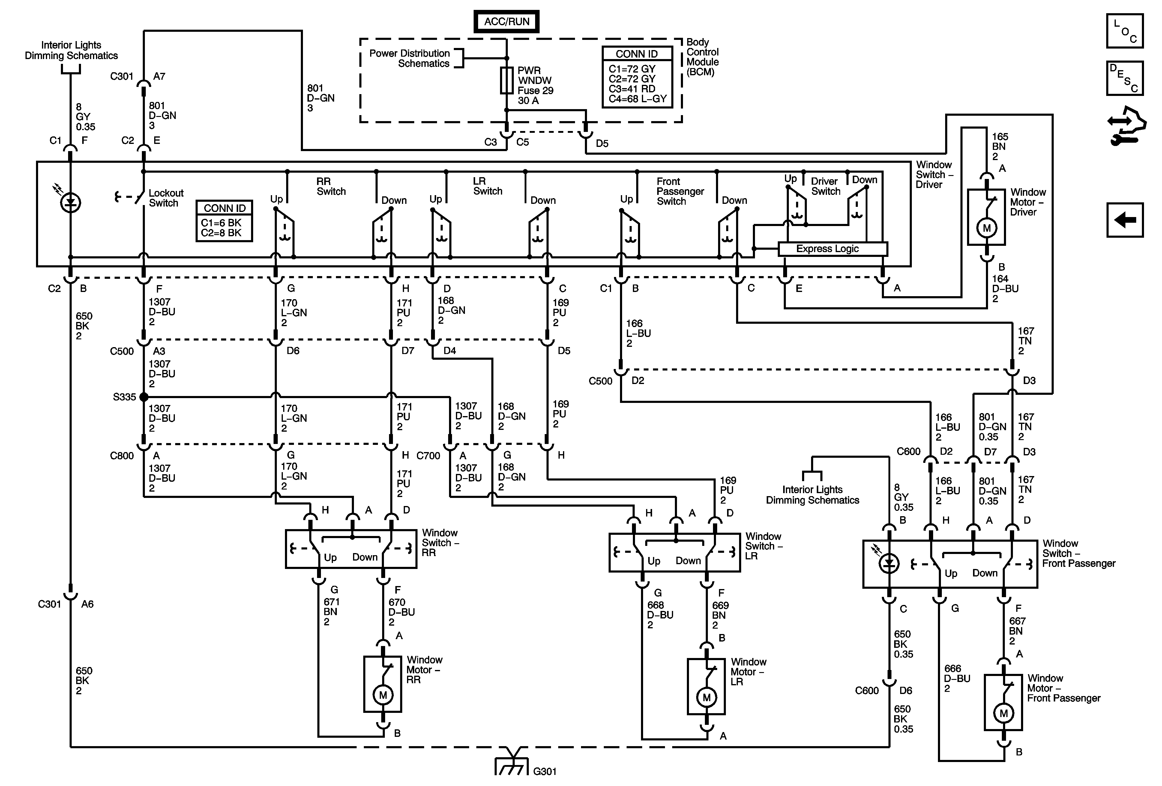
Power Windows Description and Operation
Control Module References
Coupe
Door and Seat Lighting
BCM Fuses - DR LCK, ECM/TCM, INT LIGHT, PWR WNDW, RDO, SDM, S ROOF
Door and Seat Lighting
G301 (2 of 2)