GM Service Manual Online
For 1990-2009 cars only
Makes
🢒
Pontiac
🢒
2007
🢒
G5
🢒 Door and Seat Lighting
Door and Seat Lighting
Door and Console Lighting
Master Electrical Component List
Interior Lighting Systems Description and Operation
Control Module References
I/P and Seat Lighting
I/P and Seat Lighting
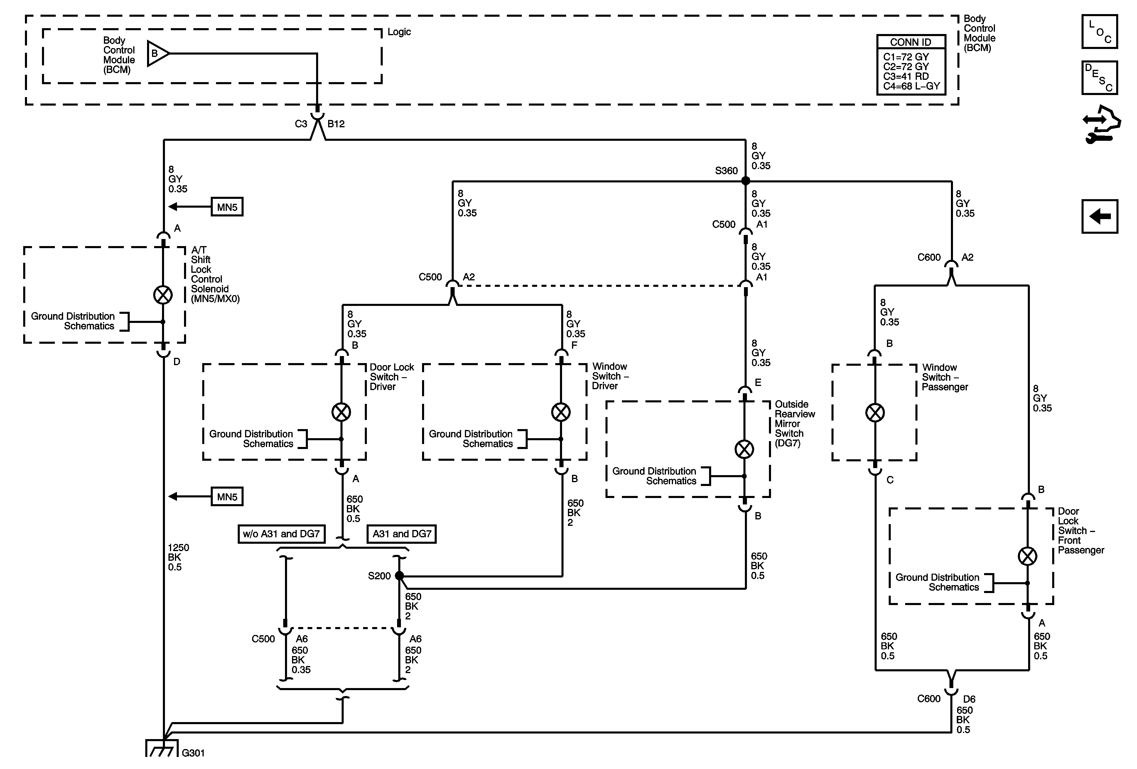
G301 (1 of 2)
G301 (2 of 2)
G301 (2 of 2)
G301 (2 of 2)
G301 (2 of 2)
G301 (2 of 2)