GM Service Manual Online
For 1990-2009 cars only
Makes
🢒
Pontiac
🢒
2007
🢒
G5
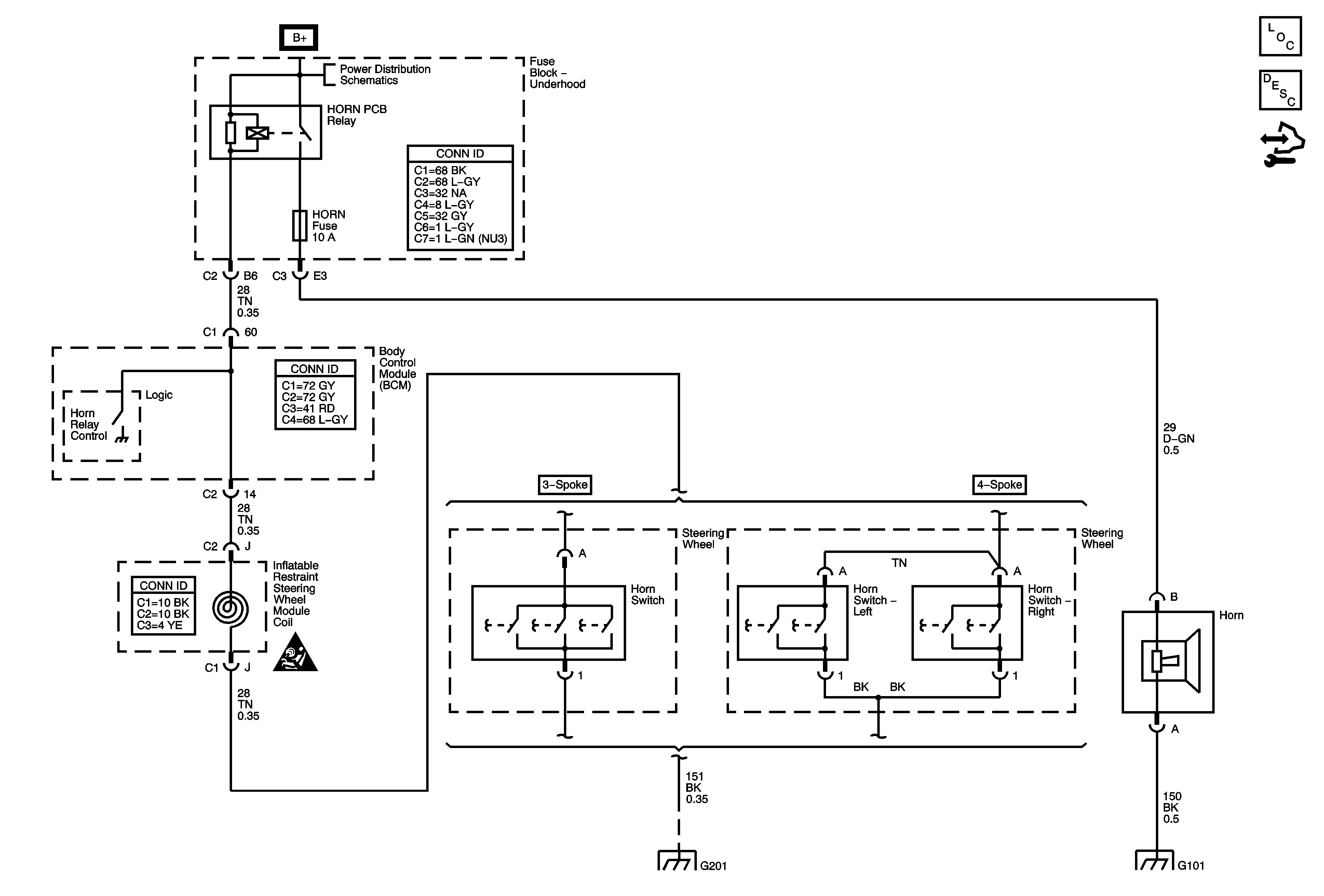
🢒 Horns Schematic
Horns Schematic
Master Electrical Component List
Horns System Description and Operation
Control Module References
Underhood Fuse Block Fuses- AFTERCOOL, AIR PMP, AIR SOL, FOG LP, HORN, TRUNK/OUTLET
Horn Schematic Icons
G201 (2 of 2)
G101, G102