GM Service Manual Online
For 1990-2009 cars only
Makes
🢒
Pontiac
🢒
2007
🢒
G5
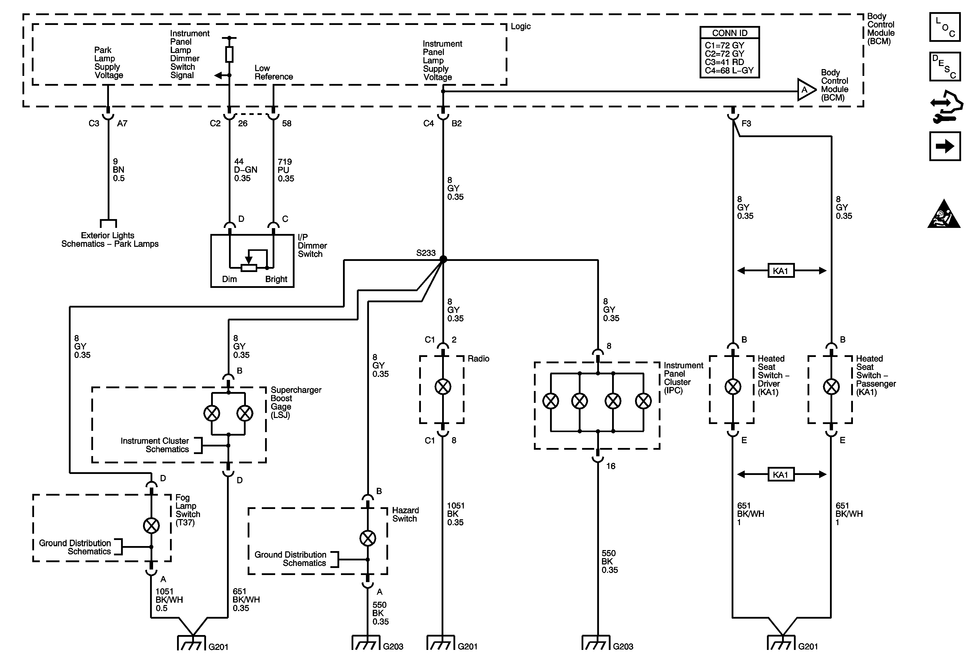
🢒 Dimmer Switch Inputs
Dimmer Switch Inputs
Dimmer Switch Inputs
Master Electrical Component List
Interior Lighting Systems Description and Operation
Control Module References
I/P and Seat Lighting
Lighting Systems Schematic Icons
I/P and Seat Lighting
Park Lamps
Sensors, Indicators
G201 (1 of 2)
G109, G111, G203, G306
G201 (1 of 2)
G109, G111, G203, G306
G201 (1 of 2)
G109, G111, G203, G306
G201 (1 of 2)