GM Service Manual Online
For 1990-2009 cars only
Makes
🢒
Pontiac
🢒
2007
🢒
G5
🢒 I/P and Seat Lighting
I/P and Seat Lighting
I/P and Seat Lighting
Master Electrical Component List
Interior Lighting Systems Description and Operation
Control Module References
Door and Seat Lighting
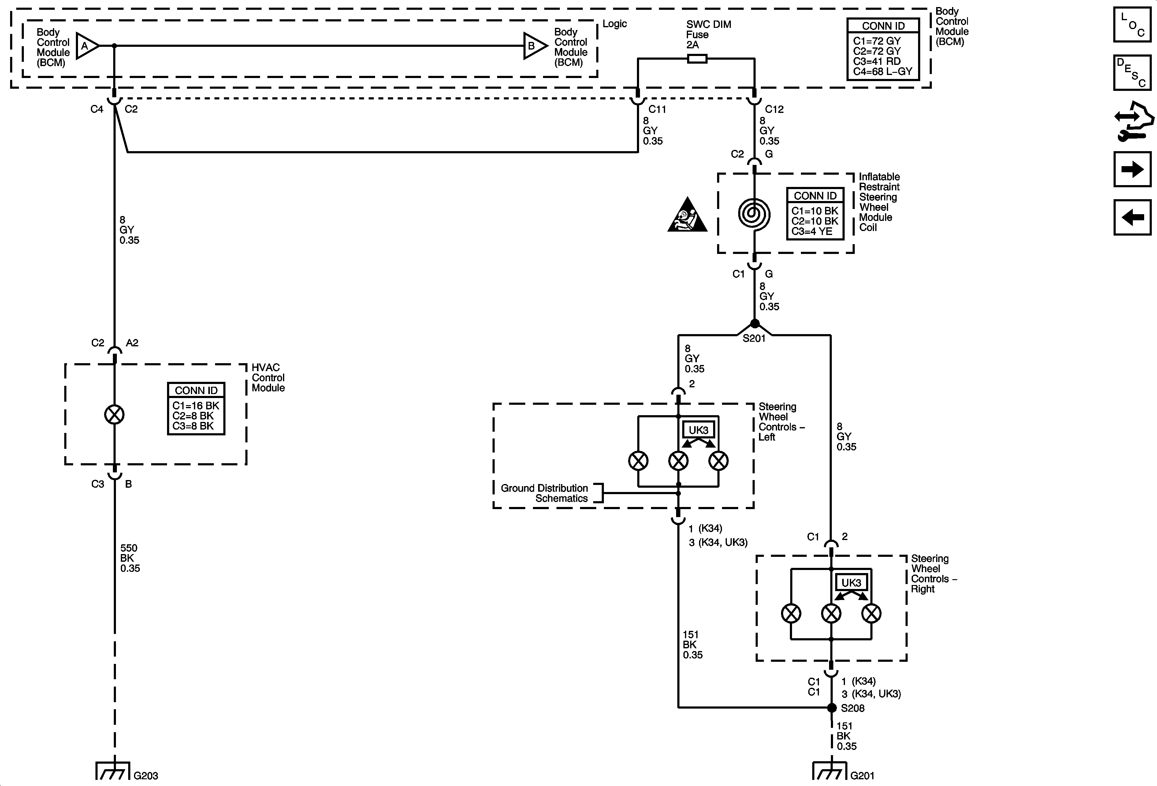
Dimmer Switch Inputs
Dimmer Switch Inputs
Door and Seat Lighting
Lighting Systems Schematic Icons
G201 (2 of 2)
G109, G111, G203, G306
G201 (2 of 2)