GM Service Manual Online
For 1990-2009 cars only

L61

L61


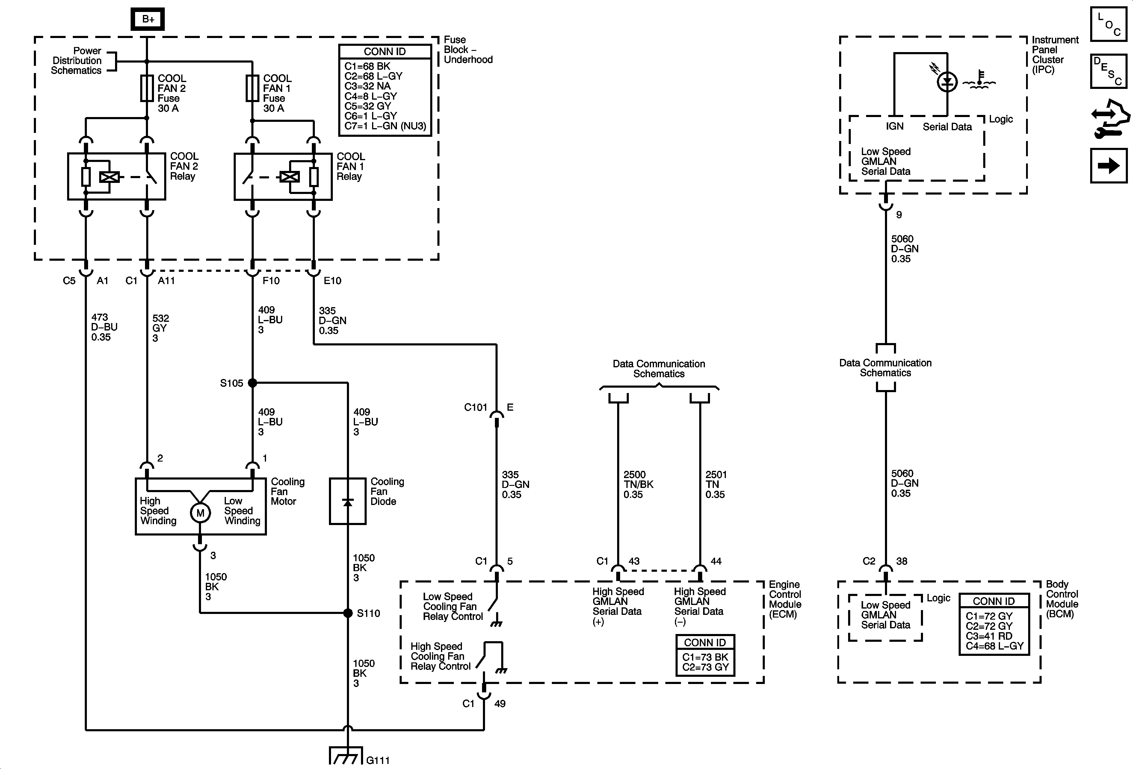
Object Number: 1784240  Size: FS
Master Electrical Component List
Cooling Fan Description and Operation
Control Module References
LSJ
B+ Bussing, Underhood Fuse Block B+ Bus
High Speed GMLAN
Power, Ground, Low Speed GMLAN
G109, G111, G203, G306