GM Service Manual Online
For 1990-2009 cars only
Makes
🢒
Pontiac
🢒
2007
🢒
G5
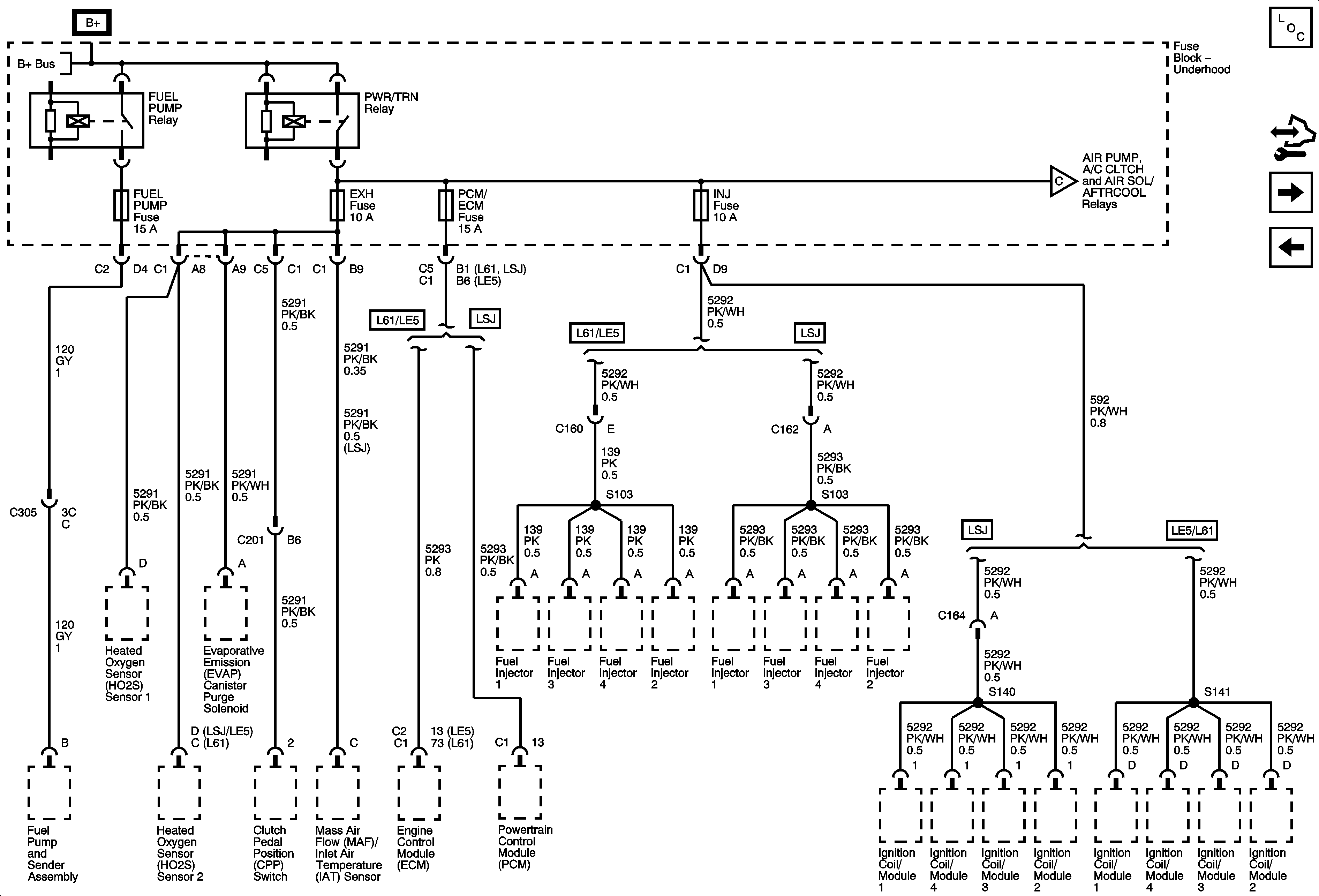
🢒 Underhood Fuse BlockFuses- EMISN, FUEL PMP, INJ, PCM/ECM, and FUEL PMP Relay and PWR/TRN Relay
Underhood Fuse BlockFuses- EMISN, FUEL PMP, INJ, PCM/ECM, and FUEL PMP Relay and PWR/TRN Relay
FUEL PUMP, POWERTRAIN Relay, FUEL PUMP, EMISSION, INJECTOR Fuses
Master Electrical Component List
Control Module References
Underhood Fuse Block Fuses- AFTERCOOL, AIR PMP, AIR SOL, FOG LP, HORN, TRUNK/OUTLET
Body Control Module - AUDIO AMPLIFIER Fuse, BCM2 Fuse, CLUSTER Fuse, IGN SW Fuse, STOP LPS Fuse
B+ Bussing, Underhood Fuse Block B+ Bus
Underhood Fuse Block Fuses- AFTERCOOL, AIR PMP, AIR SOL, FOG LP, HORN, TRUNK/OUTLET