GM Service Manual Online
For 1990-2009 cars only
Makes
🢒
Pontiac
🢒
2007
🢒
G5
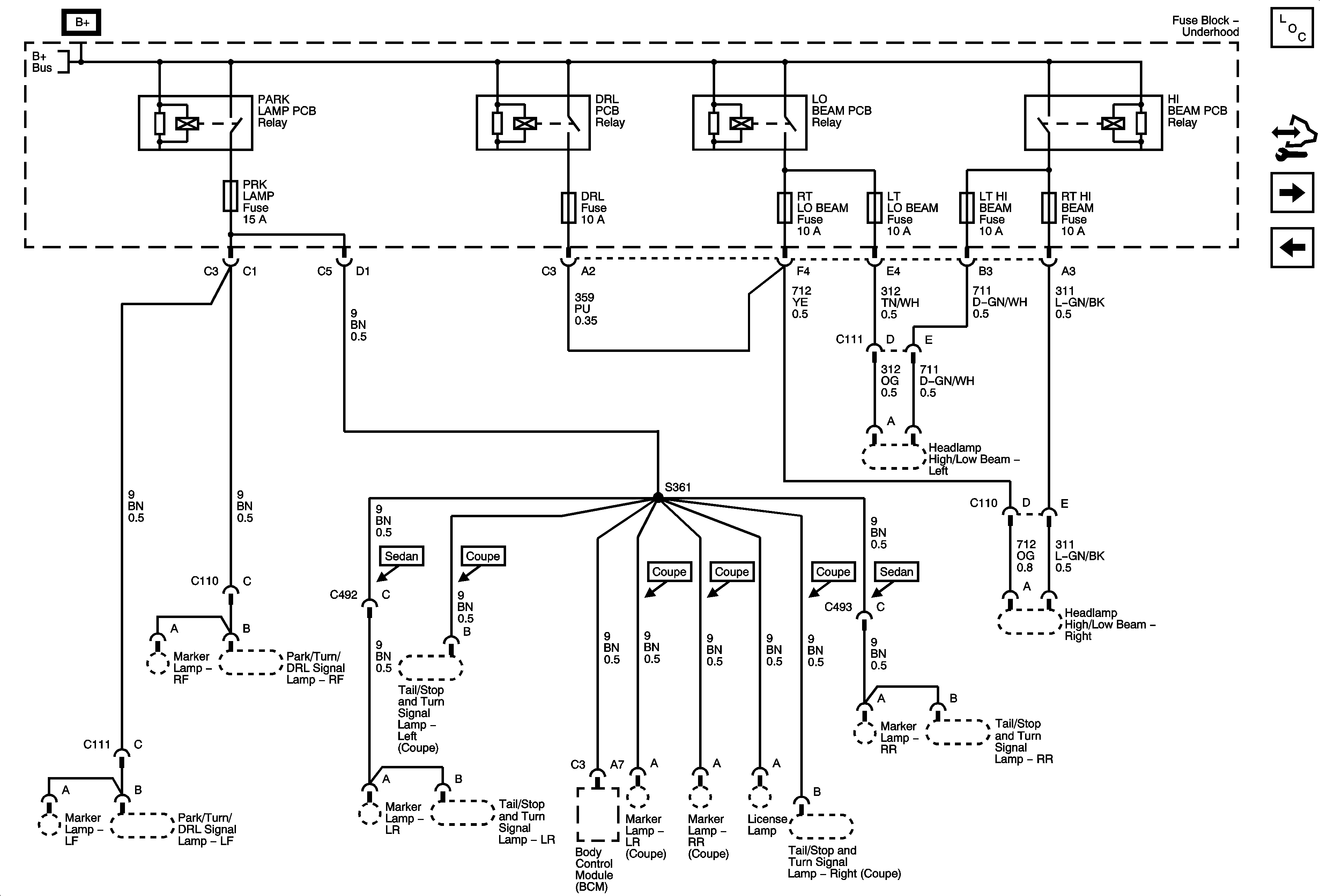
🢒 Underhood Fuse Block Fuses- LH HI BEAM, LH LO BEAM, PRK LPS, RH HI BEAM, RH LO BEAM
Underhood Fuse Block Fuses- LH HI BEAM, LH LO BEAM, PRK LPS, RH HI BEAM, RH LO BEAM
PARK LPS, LOW BEAM, HIGH BEAM Relays, PARK LPS, RF LOW BEAM, LF LOW BEAM, RF HIGH BEAM, LF HIGH BEAM Fuses
Master Electrical Component List
Control Module References
Underhood Fuse Block IP IGN Fuse, Body Control Module Fuses - AIRBAG, EPS/STR WHL CNTRL, HVAC/IP IGN, WPR
Underhood Fuse Block Fuses- AFTERCOOL, AIR PMP, AIR SOL, FOG LP, HORN, TRUNK/OUTLET
B+ Bussing, Underhood Fuse Block B+ Bus