GM Service Manual Online
For 1990-2009 cars only
Makes
🢒
Pontiac
🢒
2007
🢒
G6
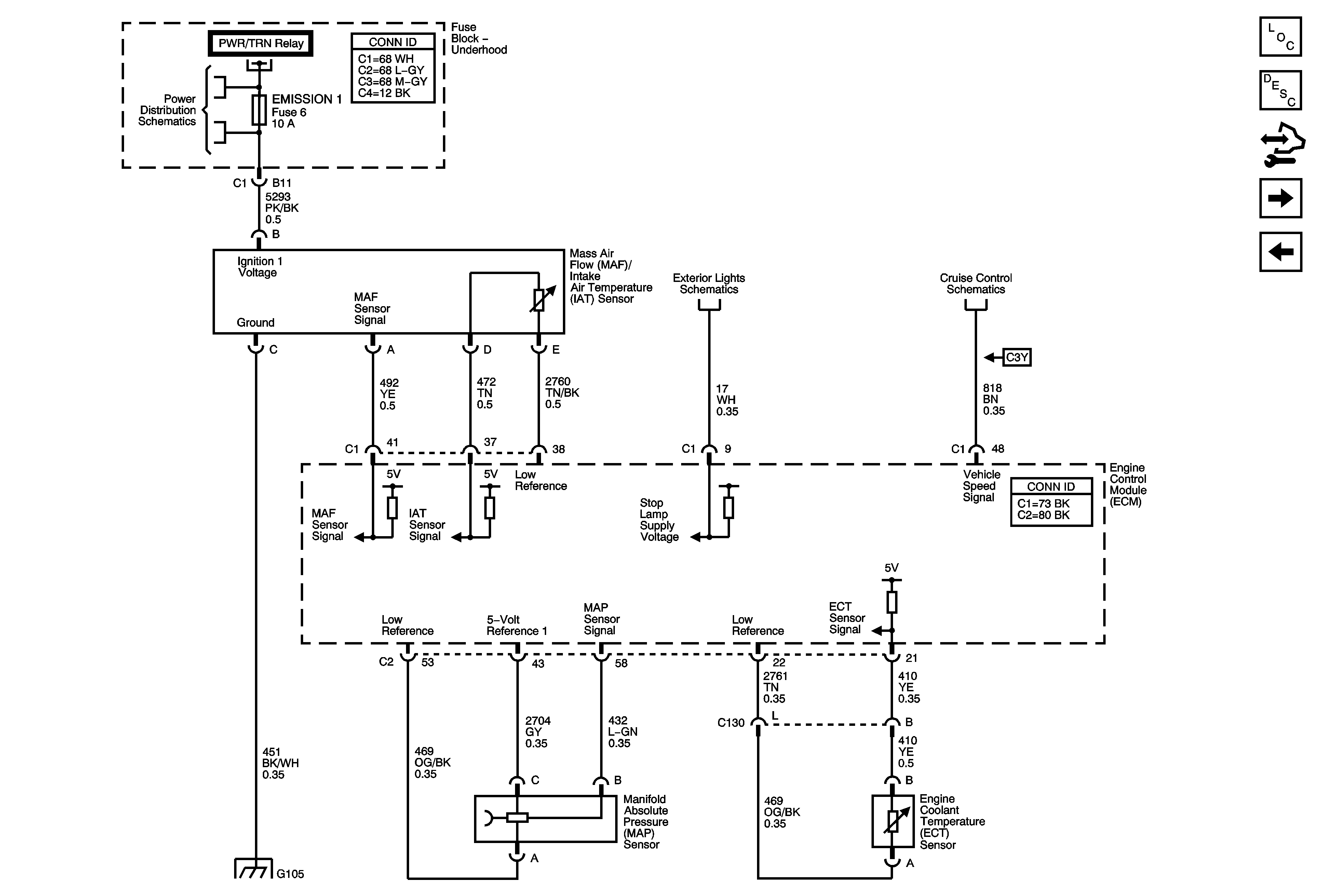
🢒 MAF/IAT, MAP, ECT Sensors
MAF/IAT, MAP, ECT Sensors
MAF/IAT, MAP, ECT Sensors
Master Electrical Component List
Engine Control Module Description
Control Module References
Heated Oxygen Sensors
5-Volt and Low References
Underhood Fuse Block A/C CLUTCH and PWR/TRN Relays, EMISSION 1, ETC, IGN MOD and IMTV/DOD Fuses
Turn Signals and Stop Lamps
Brake Pedal Position Sensor and Stop Lamp Switch Signal
G103, G104, and G105