GM Service Manual Online
For 1990-2009 cars only
Makes
🢒
Pontiac
🢒
2007
🢒
G6
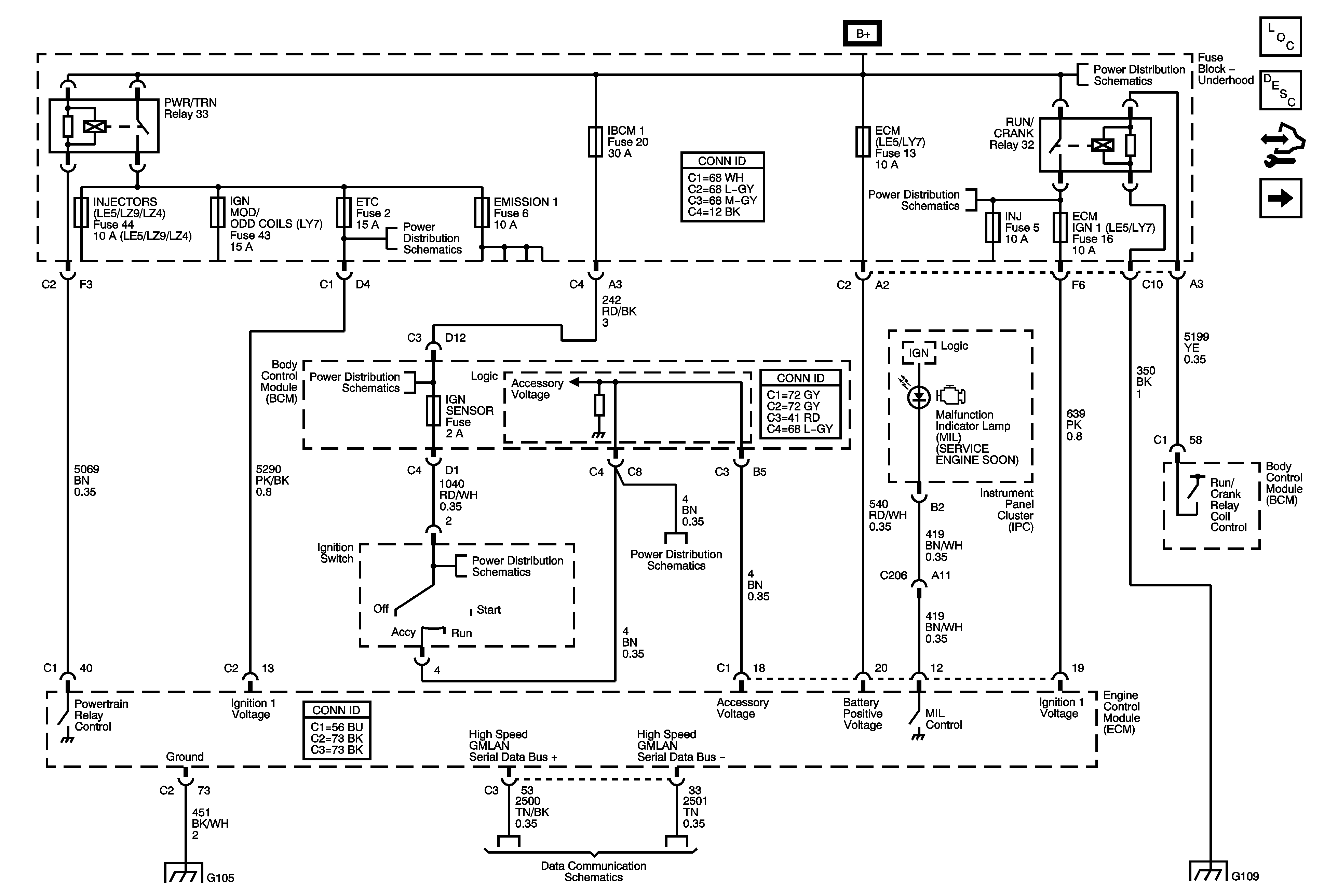
🢒 DLC, Ground, MIL and Power
DLC, Ground, MIL and Power
DLC, Ground, MIL and Power
Master Electrical Component List
Engine Control Module Description
Control Module References
5-Volt and Low References
Underhood Fuse Block IBCM 1 Fuse, BCM AIRBAG (BATT), CLUSTER/THEFT, HVAC CTRL (BATT), IGN SENSOR and RADIO Fuses and Ignition Switch
Underhood Fuse Block A/C CLUTCH and PWR/TRN Relays, EMISSION 1, ETC, IGN MOD and IMTV/DOD Fuses
Underhood Fuse Block RUN/CRANK Relay, ABS, IGN 1, INJ, PCM IGN 1 and TRANS Fuses
Underhood Fuse Block B+
Underhood Fuse Block IBCM 1 Fuse, BCM AIRBAG (BATT), CLUSTER/THEFT, HVAC CTRL (BATT), IGN SENSOR and RADIO Fuses and Ignition Switch
Underhood Fuse Block IBCM 1 Fuse, BCM AIRBAG (BATT), CLUSTER/THEFT, HVAC CTRL (BATT), IGN SENSOR and RADIO Fuses and Ignition Switch
G103, G104, and G105
Power, Ground, High Speed GMLAN Serial Data
G109