GM Service Manual Online
For 1990-2009 cars only
Makes
🢒
Pontiac
🢒
2007
🢒
G6
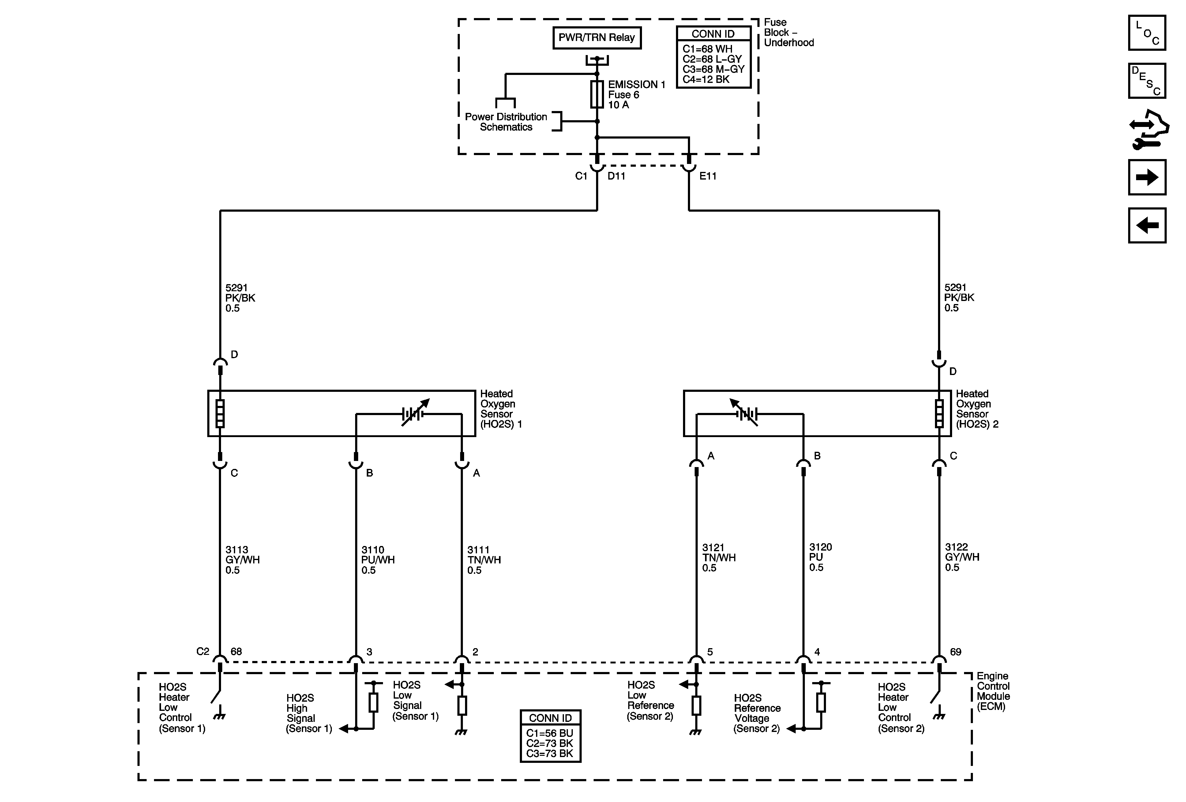
🢒 Heated Oxygen Sensors
Heated Oxygen Sensors
Heated Oxygen Sensors
Master Electrical Component List
Engine Control Module Description
Control Module References
Electronic Throttle Controls
MAF, VSS and Extended Brake Travel Switch
Underhood Fuse Block A/C CLUTCH and PWR/TRN Relays, EMISSION 1, ETC, IGN MOD and IMTV/DOD Fuses