GM Service Manual Online
For 1990-2009 cars only
Makes
🢒
Pontiac
🢒
2007
🢒
G6
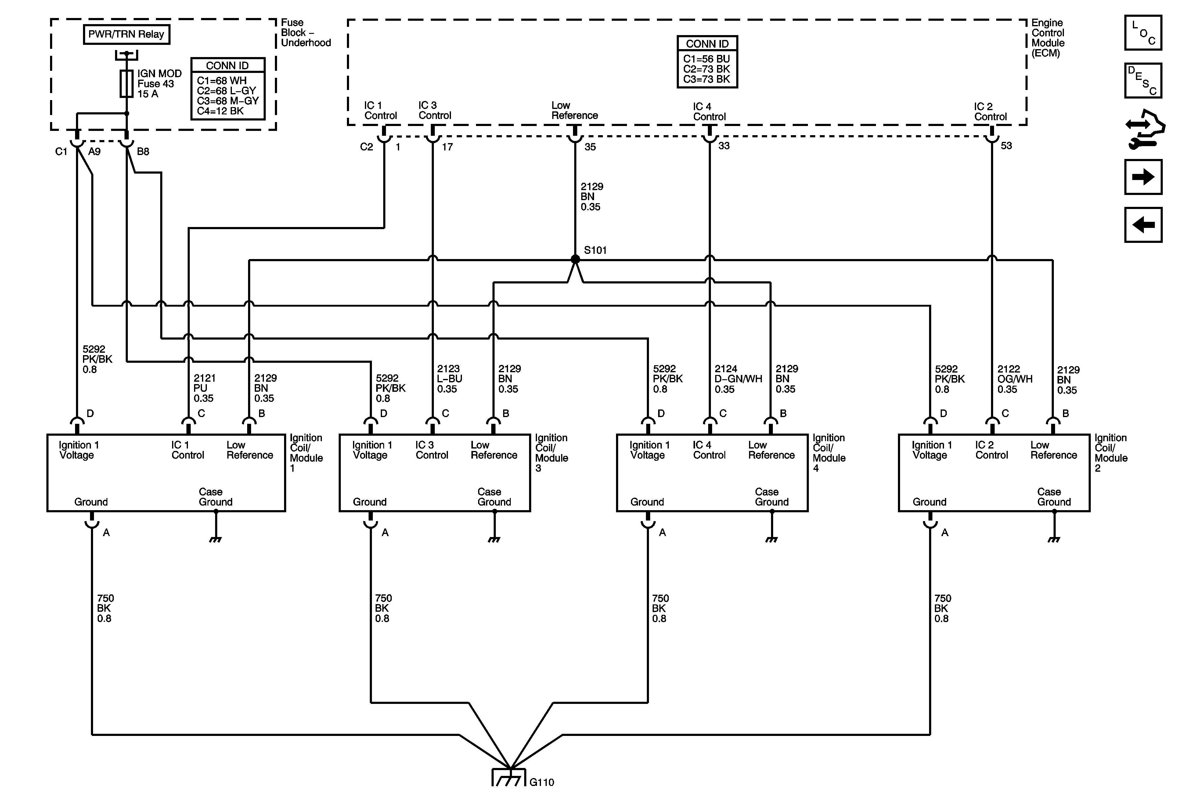
🢒 Ignition Coils/Modules
Ignition Coils/Modules
Ignition Coils/Modules
Master Electrical Component List
Electronic Ignition (EI) System Description
Control Module References
Ignition Sensors
Electronic Throttle Controls
G110 (LE5)