GM Service Manual Online
For 1990-2009 cars only
Makes
🢒
Pontiac
🢒
2007
🢒
G6
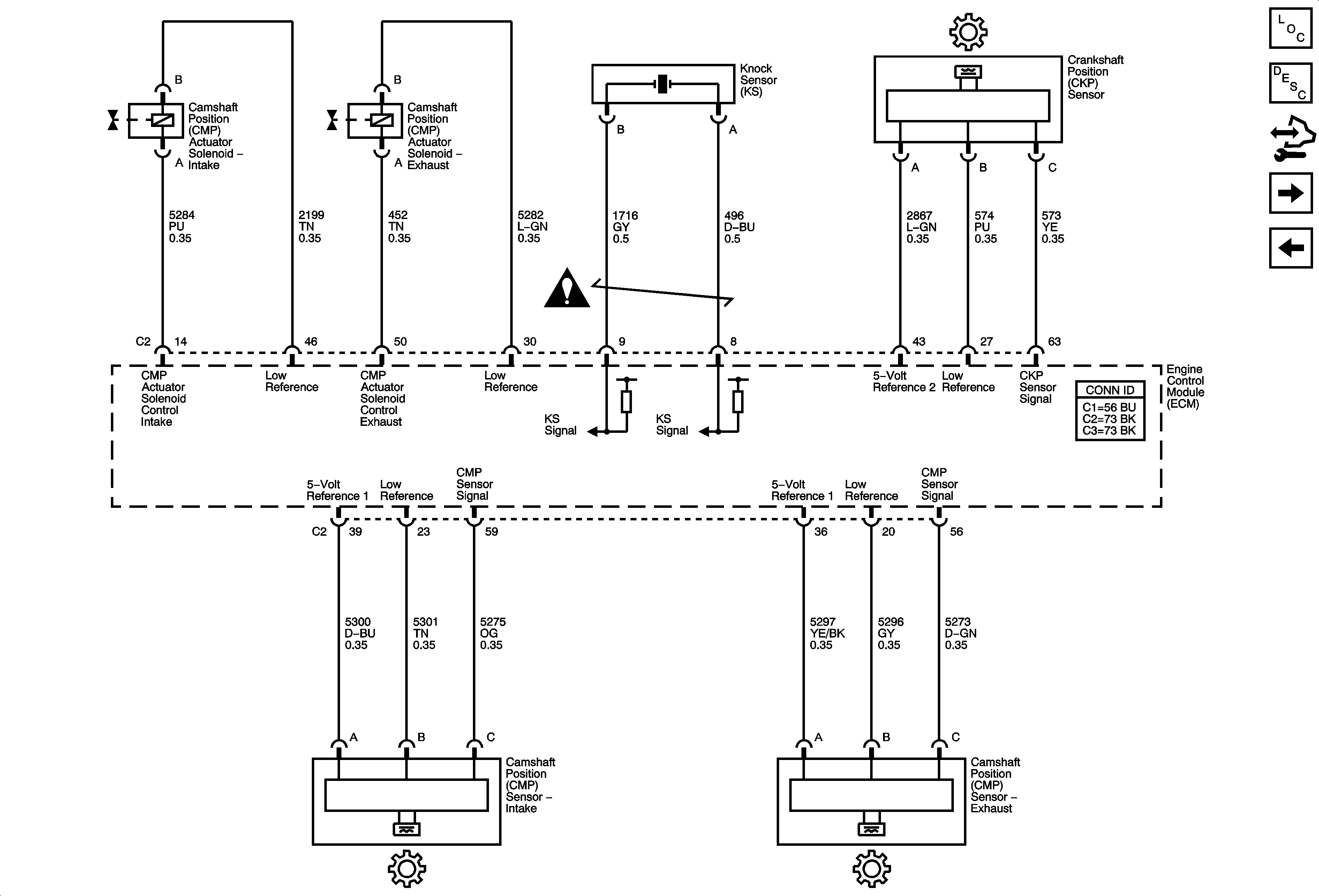
🢒 Ignition Sensors
Ignition Sensors
Ignition Sensors
Master Electrical Component List
Camshaft Actuator System Description
Control Module References
Fuel Injectors and Fuel Pump
Ignition Coils/Modules
Engine Controls Schematic Icons