GM Service Manual Online
For 1990-2009 cars only
Makes
🢒
Pontiac
🢒
2007
🢒
G6
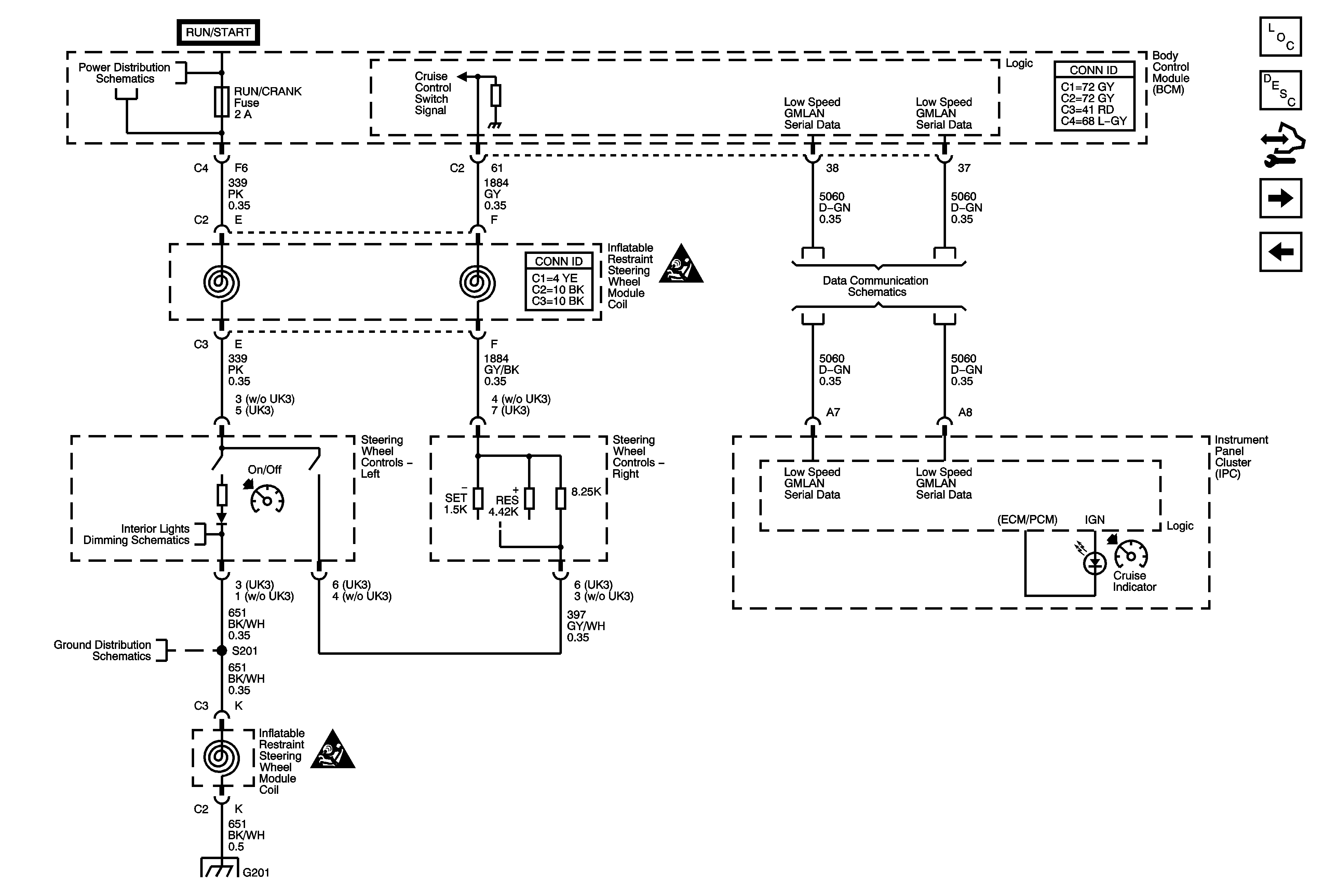
🢒 Steering Wheel Controls - 4 Spoke
Steering Wheel Controls - 4 Spoke
Steering Wheel Controls - 4 Spoke
Master Electrical Component List
Cruise Control Description and Operation
Control Module References
Brake Pedal Position Sensor and Stop Lamp Switch Signal
Steering Wheel Controls - 3 Spoke
Underhood Fuse Block IBCM (RUN/CRANK), BCM AIRBAG (IGN), EPS and RUN/CRANK Fuses
Cruise Control Schematic Icons
Low Speed GMLAN Serial Data (1 of 2)
Steering Wheel and Doors
G201
G201