GM Service Manual Online
For 1990-2009 cars only
Makes
🢒
Pontiac
🢒
2007
🢒
G6
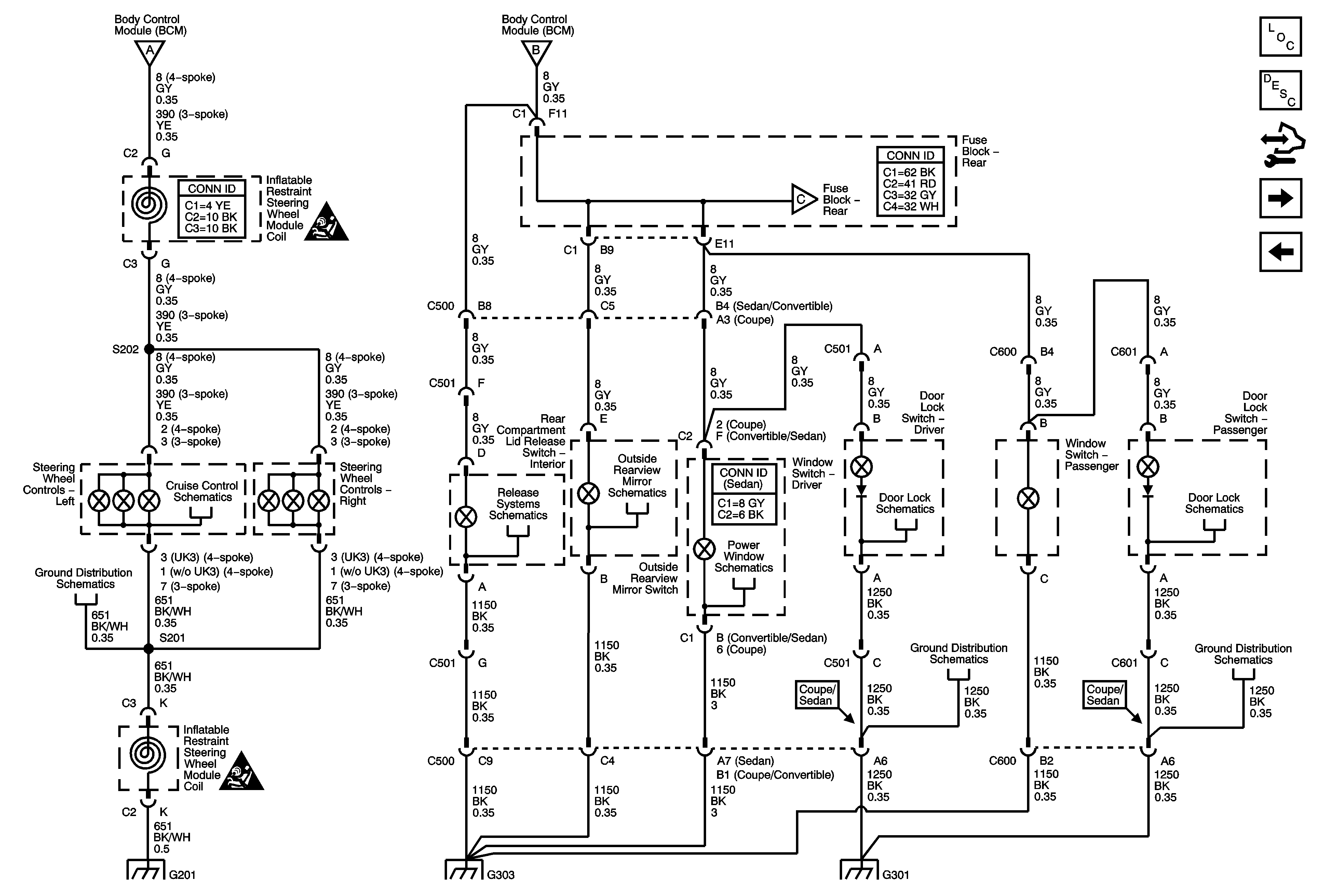
🢒 Steering Wheel and Doors
Steering Wheel and Doors
Steering Wheel and Doors
Master Electrical Component List
Interior Lighting Systems Description and Operation
Control Module References
Seats and Center Console
Dimmer Switch Inputs
Dimmer Switch Inputs
Lighting Systems Schematic Icons
Dimmer Switch Inputs
Seats and Center Console
G201
Steering Wheel Controls - 3 Spoke
Release Systems Schematics
Outside Rearview Mirror Schematics
Sedan
Door Lock Switches
G301
Door Lock Switches
G301
G201
Lighting Systems Schematic Icons
G303
G301